-
Bookmarks
Quick Links
«NOVATEK-ELECTRO» Ltd
Intelligent industrial electronics
Astronomical time relay
REV – 225
OPERATING MANUAL
Quality control system on the production complies with requirements ISO 9001:2008
Dear customer,
Company NOVATEK-ELECTRO LTD. thanks you for purchasing our products.
You will be able to use properly the product after carefully studying the Operating Manual.
Keep the Operating Manual throughout the service life of the product.
Review the Operating manual before using the unit.
www.novatek-electro.com
Summary of Contents for Novatek-electro REV-225
НАЗНАЧЕНИЕ
Астрономический таймер РЭВ-225 (далее устройство) предназначен для коммутации электрических цепей с предварительно настроенными координатами и предустановками с привязкой к реальному времени. Устройство автоматически вычисляет время восхода и заката солнца на основе введенных координат и текущего времени, позволяя управлять освещением без использования внешних датчиков.
ПРИНЦИП РАБОТЫ УСТРОЙСТВА
Устройство управляет нагрузкой (включением и выключением) по восходу (включение) и закату (выключение) солнца. РЭВ-225 оснащено встроенными часами реального времени, питание которых осуществляется (в случае отключения основного питания) от встроенного элемента резервного питания – литиевой батареи.
Астрономический режим работы — в качестве события (включено или выключено реле) является алгоритмически рассчитанное время восхода или заката солнца с привязкой к реальному времени и координатам местности, без использования внешнего фотодатчика.
Вышеописанный алгоритм выполняется ежедневно, таймер рассчитывает реальное время восхода и заката солнца, сравнивая его с реальным временем установленным пользователем (имеется функция сдвига, для полярных широт).

ОСНОВНЫЕ ОСОБЕННОСТИ
- Источник питания рассчитан на работу в течение 3 лет (литиевая батарея);
- Жидкокристаллический дисплей;
- Индикатор состояния Устройства и встроенного реле;
- Режим работы для выходных дней;
- Возможность опломбировать крышку на передней панели;
- 1 переключающая группа контактов 16А/AC230В.
КОНСТРУКЦИЯ УСТРОЙСТВА
Устройство выпускается в унифицированном пластмассовом корпусе с передним присоединением проводов питания и коммутируемых электрических цепей. Крепление осуществляется на монтажную DIN-рейку шириной 35мм (ГОСТ Р МЭК 60715-2003). Конструкция клемм обеспечивает надёжный зажим проводов питания сечением до 4 мм2
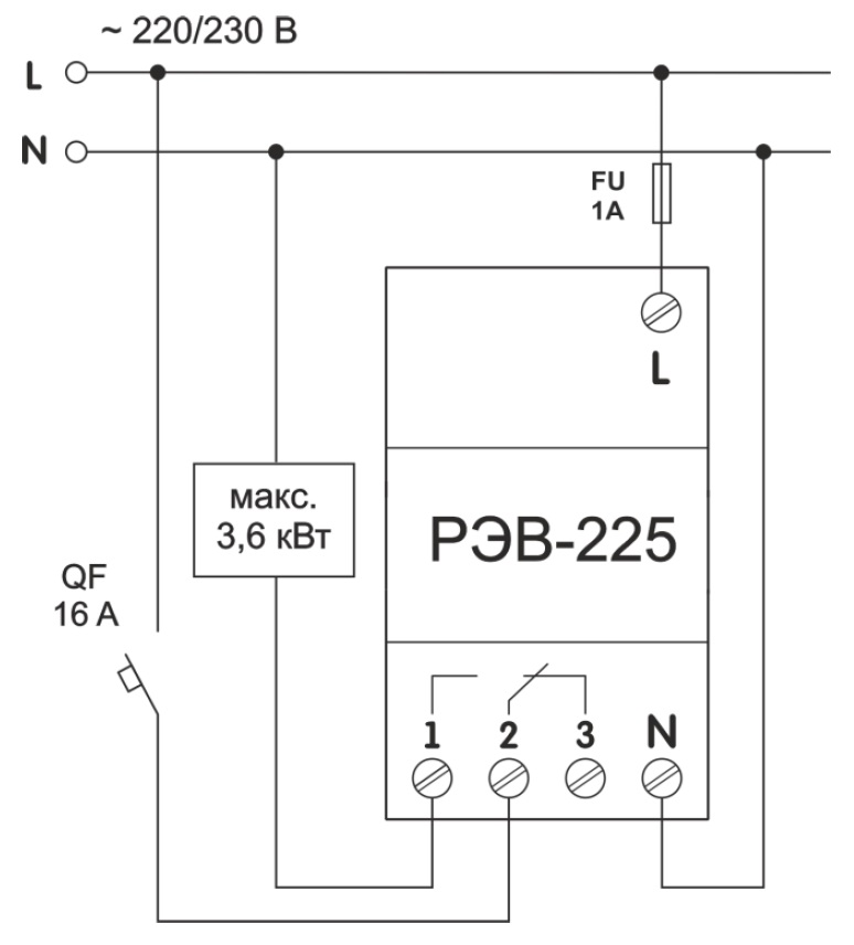
СХЕМА ПОДКЛЮЧЕНИЯ

ГАБАРИТНЫЕ РАЗМЕРЫ
Дополнительную информацию о параметрах и режимах работы устройства Вы можете найти в паспорте изделия (вкладка «файлы»)
Диапазон напряжения питания AC (переменное)
130-280В
Напряжение питания
Переменное однофазное
Напряжение питания AC (переменное)
230 В
Частота напряжения питания (АС)
50 — 60
Гц
Максимальное напряжение питания
280В
В
Номинальная мощность нагрузки (AC230В)
3680 Вт
Номинальный ток нагрузки
16А
Тип контактной группы
1 CO
Диапазон рабочих температур
-35…+55°С
Относительная влажность воздуха
до 85% (при 25°С)
Сечение подключаемых проводников
1 — 4
кв.мм.
Степень защиты реле по корпусу / по клеммам по ГОСТ 14254-96
IP20/IP20
Тип реле времени
Астрономическое
Габаритные размеры (ШхВхГ)
90х65х36
Гарантия производителя
5 лет
Страна происхождения
Россия
Найти похожие
Инструкция (Паспорт_РЭВ-225.pdf, 2,311 Kb) [Скачать]
Реле времени астрономическое РЭВ-225 AC230В УХЛ3.1
Астрономический таймер РЭВ-225 (далее устройство) предназначен для коммутации электрических цепей с предварительно настроенными координатами и предустановками с привязкой к реальному времени. Устройство автоматически вычисляет время восхода и заката солнца на основе введенных координат и текущего времени, позволяя управлять освещением без использования внешних датчиков.
ПРИНЦИП РАБОТЫ УСТРОЙСТВА
Устройство управляет нагрузкой (включением и выключением) по восходу (включение) и закату (выключение) солнца. РЭВ-225 оснащено встроенными часами реального времени, питание которых осуществляется (в случае отключения основного питания) от встроенного элемента резервного питания – литиевой батареи.
Астрономический режим работы — в качестве события (включено или выключено реле) является алгоритмически рассчитанное время восхода или заката солнца с привязкой к реальному времени и координатам местности, без использования внешнего фотодатчика.
Вышеописанный алгоритм выполняется ежедневно, таймер рассчитывает реальное время восхода и заката солнца, сравнивая его с реальным временем установленным пользователем (имеется функция сдвига, для полярных широт).

ОСНОВНЫЕ ОСОБЕННОСТИ
- Источник питания рассчитан на работу в течение 3 лет (литиевая батарея);
- Жидкокристаллический дисплей;
- Индикатор состояния Устройства и встроенного реле;
- Режим работы для выходных дней;
- Возможность опломбировать крышку на передней панели;
- 1 переключающая группа контактов 16А/AC230В.
КОНСТРУКЦИЯ УСТРОЙСТВА
Устройство выпускается в унифицированном пластмассовом корпусе с передним присоединением проводов питания и коммутируемых электрических цепей. Крепление осуществляется на монтажную DIN-рейку шириной 35мм (ГОСТ Р МЭК 60715-2003). Конструкция клемм обеспечивает надёжный зажим проводов питания сечением до 4 мм 2
Дополнительную информацию о параметрах и режимах работы устройства Вы можете найти в паспорте изделия (вкладка «файлы»)
Источник
Цена за 1шт.
При покупке от 1шт. 2550 руб.
При покупке от 3шт. 2460.75 руб.
РЭВ-225 является микропроцессорным устройством, предназначенным для работы в системах автоматического управления с привязкой к астрономическому времени (восход / закат солнца).
В РЭВ-225 автоматически вычисляется время восхода и заката солнца на основе введенных координат и текущего времени, позволяя управлять освещением без использования внешних датчиков.
Предусмотрена настройка программы позволяющая отключать нагрузку ночью (ночной перерыв).
Встроенный источник питания (литиевая батарея) обеспечивает сохранение работы часов реального времени и изделия в случае отсутствия питания от сети.
Особенности РЭВ-225:
– Цифровое реле времени с астрономической программой;
– Источник питания рассчитан на работу в течение 3 лет (литиевая батарея);
– Пломбируемая крышка передней панели;
– Настройка с помощью четырех кнопок;
– Автоматическое переключение на летнее/зимнее время;
– Жидкокристаллический дисплей;
– Режим работы для выходных дней;
– Один канал;
– Двойной модуль, устанавливаемый на DIN-рейку 35 мм.
Источник
Астрономическое реле времени РЭВ-225
Добрый день, Алек.
В прямую это реализовать нельзя.
Реле сравнивает время восхода (заката) рассчитанным по координатам с установленным временем и затем включает (выключает) нагрузку.
Вашу схему можно реализовать функцией «сдвиг» в диапазоне +/-2 часа.
Об этом Вы можете прочитать в «Руководство по эксплуатации реле времени РЭВ-225 Новатек-Электро» выложенном в папку «Документация» страници сайта с реле.
Добрый день, Alex.
Дата производства — август 2020 года.
Отправляя данные, вы соглашаетесь с политикой конфиденциальности.
0)window.scrollBy(0,-100);»>
Отправляя данные, вы соглашаетесь с политикой конфиденциальности.
Способы получения заказов
— г. Москва, ул.Новохохловская, д.91, стр.10.
— г. Москва, ул.Маломосковская, д.22, стр.1
— Пн-Пт c 8.00 до 20.00; Сб-Вс с 8:00 до 18:00.
— Минимальная сумма заказа отсутствует.
Оплата:
— наличными при получении.
— банковской картой через терминал.
— банковский перевод по выставленому счету
(зачисление оплаты происходит в течении суток)
Доставка по Москве — подробнее .
— Минимальная сумма заказа составляет — 1000 рублей.
— в пределах МКАД +10 км. — 300 рублей.
— Пн-Вс с 10:00 до 18:00.
Оплата:
— наличными при получении.
— банковский перевод по выставленому счету
(зачисление оплаты происходит в течении суток)
Самовывоз в Московской области — подробнее .
Заказать и купить в городах Московской области:
— Минимальная сумма заказа составляет — 1000 рублей.
— до 10-ти км. от МКАД — 300 рублей.
— от 10-го км. от МКАД — 300 рублей + 40 рублей за 1 км., осуществляется в зависимости от суммы заказа.
— Пн-Вс с 10.00 до 18.00.
Оплата:
— наличными при получении.
— банковский перевод по выставленому счету
(зачисление оплаты происходит в течении суток)
Доставка в города Московской области Курьерской Службой — подробнее .
— Минимальная сумма заказа составляет — 1000 рублей.
— Доставка до терминала Курьерской службы в г. Москва — Бесплатно.
— Все услуги Курьерской службы оплачиваются покупателем.
— Предоплата заказа банковским переводом по счету, оплата услуг Курьерской Службы при получении.
Отправка в города России Курьерской Службой — подробнее .
— Минимальная сумма заказа составляет — 1000 рублей.
— Доставка до терминала Курьерской службы в г. Москва — Бесплатно.
— Все услуги Курьерской службы оплачиваются покупателем.
— Предоплата заказа банковским переводом по счету, оплата услуг Курьерской Службы при получении.
Отправка в города РФ Транспортной Компанией — подробнее .
— Минимальная сумма заказа составляет — 1000 рублей.
— 300 рублей доставка до терминала Транспортной Компании в г.Москве.
— Все услуги Транспортной Компании оплачиваются покупателем.
— Предоплата заказа банковским переводом по счету, оплата услуг Транспортной Компании при получении.
Способы получения заказов
— Минимальная сумма заказа отсутствует.
— г. Москва, ул.Новохохловская, д.91, стр.10.
— c 10.00 до 20.00 по рабочим дням РФ.
— заказ оплачивается при получении.
— Минимальная сумма заказа составляет — 1000 рублей.
— 300 рублей в пределах МКАД.
— с 10.00 до 18.00 по рабочим дням РФ.
— заказ оплачивается при получении.
— Минимальная сумма заказа составляет — 1000 рублей.
— 500 рублей до 5-ти км. от МКАД.
— 40 рублей за 1 км. от МКАД + 300 рублей в пределах МКАД, осуществляется в зависимости от суммы заказа.
— с 10.00 до 18.00 по рабочим дням РФ.
— заказ оплачивается при получении.
- Доставка в города Московской области Курьерской Службой — подробнее.
— Минимальная сумма заказа составляет — 1000 рублей.
— Доставка до терминала Курьерской службы в г. Москва — Бесплатно.
— Все услуги Курьерской службы оплачиваются покупателем.
— Предоплата заказа, оплата услуг Курьерской Службы при получении.
- Отправка в города России Курьерской Службой — подробнее.
— Минимальная сумма заказа составляет — 1000 рублей.
— Доставка до терминала Курьерской службы в г. Москва — Бесплатно.
— Все услуги Курьерской службы оплачиваются покупателем.
— Предоплата заказа, оплата услуг Курьерской Службы при получении.
- Отправка в города РФ Транспортной Компанией — подробнее.
— Минимальная сумма заказа составляет — 1000 рублей.
— 300 рублей доставка до терминала Транспортной Компании в г.Москве.
— Все услуги Транспортной Компании оплачиваются покупателем.
— Предоплата заказа, оплата услуг Транспортной Компании при получении.
Способы получения заказов
— Минимальная сумма заказа отсутствует.
— г. Москва, ул.Новохохловская, д.91, стр.10.
— c 10.00 до 20.00 по рабочим дням РФ.
Оплата:
— наличными при получении.
— банковской картой через терминал.
— банковский перевод по выставленому счету
(поступление происходит в течении суток)
— Минимальная сумма заказа составляет — 1000 рублей.
— 300 рублей в пределах МКАД.
— с 10.00 до 18.00 по рабочим дням РФ.
Оплата:
— наличными при получении.
— банковский перевод по выставленому счету
(поступление происходит в течении суток)
— Минимальная сумма заказа составляет — 1000 рублей.
— 500 рублей до 5-ти км. от МКАД.
— 40 рублей за 1 км. от МКАД + 300 рублей в пределах МКАД, осуществляется в зависимости от суммы заказа.
— с 10.00 до 18.00 по рабочим дням РФ.
Оплата:
— наличными при получении.
— банковский перевод по выставленому счету
(поступление происходит в течении суток)
- Доставка в города Московской области Курьерской Службой — подробнее.
— Минимальная сумма заказа составляет — 1000 рублей.
— Доставка до терминала Курьерской службы в г. Москва — Бесплатно.
— Все услуги Курьерской службы оплачиваются покупателем.
— Предоплата заказа банковским переводом по счету, оплата услуг Курьерской Службы при получении.
- Отправка в города России Курьерской Службой — подробнее.
— Минимальная сумма заказа составляет — 1000 рублей.
— Доставка до терминала Курьерской службы в г. Москва — Бесплатно.
— Все услуги Курьерской службы оплачиваются покупателем.
— Предоплата заказа банковским переводом по счету, оплата услуг Курьерской Службы при получении.
- Отправка в города РФ Транспортной Компанией — подробнее.
— Минимальная сумма заказа составляет — 1000 рублей.
— 300 рублей доставка до терминала Транспортной Компании в г.Москве.
— Все услуги Транспортной Компании оплачиваются покупателем.
— Предоплата заказа банковским переводом по счету, оплата услуг Транспортной Компании при получении.
Источник
Астрономическое реле времени РЭВ-225
Добрый день, Николай.
В случае многожильного кабеля, лучше его оконцевать втулочными наконечниками.
Добрый день, Юрий.
Производитель такую информацию не предоставляет.
При выходе из строя установленного модуля в светодиодном светильнике Вам необходимо будет заменить светильник по гарантии или купить новый.
Добрый день, Михаил.
Серия Levit — двухцветная.
Основной цвет этого диммера антрацит. В самом низу поворотной ручки есть полоса дымчато чёрного цвета.
Добрый день, Дмитрий.
Это передатчик для системы радиоуправления «Уютный дом».
Питание от батарейки (входит в комплект).
Приемник приобретается отдельно, например: SQ1508-0209, SQ1508-0211, SQ1508-0212, SQ1508-0213.
Добрый день, Владимир Николаевич.
В этот светильник лампы T100 — T160 не подходят.
Добрый день, Павел.
К этому светильник подходит лампа 11W.
Лампа 9W не рекомендована.
Добрый день, Peter.
Материал изготовления — никелированная латунь.
Добрый день, Андрей.
Длина вала — 60 мм, диаметр вала — 28 мм.
Добрый день, Александр.
Производство — октябрь 2020г.
Добрый день, Радик.
Частота и место расположение светильников может подсказать проектная организация для создания комфортного освещения помещения.
При установки БАП в светильник он может стать аварийным.
Добрый день, Андрей.
Шкафы UK600 могут соединяться между собой по горизонтали и по вертикали.
Соединительный элемент не только обеспечивает возможность прокладки кабелей, но и гарантирует ровные зазоры между рамами дверей соединяемых шкафов.
Для этого используется аксессуар с артикулом 2CPX031408R9999.
Добрый день, Андрей.
Оформить заказ через корзину сайта на физ. или юр. лицо.
Добрый день, Марина.
Под эту лампу возможно найти светильники, но в нашем ассортименте есть только комплектующие для него.
ЭмПРА и комплектующие для ее подключения:
Дроссель Vossloh Schwabe L5/7/9/11.307 230V/50HZ для ламп КЛЛ — Артикул: 163694
Патрон 35007 VS G23 М3 центральный, М4 боковые и под саморезы — Артикул: 101310
Провод установочный ПВ-1 (ПуВ) 1,0 белый ГОСТ 31947 (ПВ1) — Артикул: M0001132
Добрый день, Сергей.
Сменные матрицы для клещей обжимных КО-5Е не поставляются.
Добрый день, Александр.
Лампа Osram 4ArXS HSD для фотооптики может использоваться в различных световых приборах со своими требованиям к ПРА и блоков розжига.
Такую информацию можно найти в паспорте устройства. У нас такой информации нет.
Добрый день, Алексей.
Можем предложить Вам из наличия: Трансформатор LED BLV Trafo Luxia 0-105W 230-12V для светодиодных ламп — Артикул: 456002
Добрый день, Игорь.
Используется LED- лампа.
Добрый день, Сергей.
Да. Возможно.
Добрый день, Алексей.
Можно, кабель продается кратно 1 метру.
Добрый день, Ирина.
Да. Этот ЭПРА будет работать с 2-мя лампами по 18W.
Добрый день, Андрей.
Розетка в светильнике на 16A 220-240V.
Добрый день, Роман.
Розетка кабельная ABB 3125 C6W IP67 125A 3P+E с артикулом 2CMA166924R1000.
Добрый день, Сергей.
В руководстве по эксплуатации указан межповерочный интервал-5 лет.
Производитель ИЭК.
Добрый день, Ольга.
Да. Этот светильник предназначен для лампы T5 6W G5 212mm.
Лампа T5 6W 2700K входит в комплект светильника (ее Вам нужно будет извлечь).
К светильнику возможно потребуется приобрести еще кабель питания: Сетевой кабель с вилкой 1,1м (cable 1100mm) — Артикул: 666521
Отправляя данные, вы соглашаетесь с политикой конфиденциальности.
НАЗНАЧЕНИЕ
Астрономический таймер РЭВ-225 (далее устройство) предназначен для коммутации электрических цепей с предварительно настроенными координатами и предустановками с привязкой к реальному времени. Устройство автоматически вычисляет время восхода и заката солнца на основе введенных координат и текущего времени, позволяя управлять освещением без использования внешних датчиков.
ПРИНЦИП РАБОТЫ УСТРОЙСТВА
Устройство управляет нагрузкой (включением и выключением) по восходу (включение) и закату (выключение) солнца. РЭВ-225 оснащено встроенными часами реального времени, питание которых осуществляется (в случае отключения основного питания) от встроенного элемента резервного питания – литиевой батареи.
Астрономический режим работы — в качестве события (включено или выключено реле) является алгоритмически рассчитанное время восхода или заката солнца с привязкой к реальному времени и координатам местности, без использования внешнего фотодатчика.
Вышеописанный алгоритм выполняется ежедневно, таймер рассчитывает реальное время восхода и заката солнца, сравнивая его с реальным временем установленным пользователем (имеется функция сдвига, для полярных широт).

ОСНОВНЫЕ ОСОБЕННОСТИ
- Источник питания рассчитан на работу в течение 3 лет (литиевая батарея);
- Жидкокристаллический дисплей;
- Индикатор состояния Устройства и встроенного реле;
- Режим работы для выходных дней;
- Возможность опломбировать крышку на передней панели;
- 1 переключающая группа контактов 16А/AC230В.
КОНСТРУКЦИЯ УСТРОЙСТВА
Устройство выпускается в унифицированном пластмассовом корпусе с передним присоединением проводов питания и коммутируемых электрических цепей. Крепление осуществляется на монтажную DIN-рейку шириной 35мм (ГОСТ Р МЭК 60715-2003). Конструкция клемм обеспечивает надёжный зажим проводов питания сечением до 4 мм2
СХЕМА ПОДКЛЮЧЕНИЯ

ГАБАРИТНЫЕ РАЗМЕРЫ
Дополнительную информацию о параметрах и режимах работы устройства Вы можете найти в паспорте изделия (вкладка «файлы»)
Диапазон напряжения питания AC (переменное)
130-280В
Напряжение питания
Переменное однофазное
Напряжение питания AC (переменное)
230 В
Частота напряжения питания (АС)
50 — 60
Гц
Максимальное напряжение питания
280В
В
Номинальная мощность нагрузки (AC230В)
3680 Вт
Номинальный ток нагрузки
16А
Тип контактной группы
1 CO
Диапазон рабочих температур
-35…+55°С
Относительная влажность воздуха
до 85% (при 25°С)
Сечение подключаемых проводников
1 — 4
кв.мм.
Степень защиты реле по корпусу / по клеммам по ГОСТ 14254-96
IP20/IP20
Тип реле времени
Астрономическое
Габаритные размеры (ШхВхГ)
90х65х36
Гарантия производителя
5 лет
Страна происхождения
Россия
Найти похожие
Инструкция (Паспорт_РЭВ-225.pdf, 2,311 Kb) [Скачать]
Содержание
- Астрономическое реле времени рэв 225 инструкция по эксплуатации
- Реле времени астрономическое РЭВ-225 AC230В УХЛ3.1
- Таймер РЭВ-225 астрономического реле времени автоматически управляет нагрузкой (освещением) по восходу и закату солнца на основе координат и текущего времени, отключает нагрузку ночью
- Астрономическое реле времени РЭВ-225
- Оплата:
- Оплата:
- Оплата:
- Оплата:
- Оплата:
- Оплата:
- Астрономическое реле времени РЭВ-225
- Оплата:
- Оплата:
- Оплата:
Астрономическое реле времени рэв 225 инструкция по эксплуатации
Реле времени астрономическое РЭВ-225 AC230В УХЛ3.1
Астрономический таймер РЭВ-225 (далее устройство) предназначен для коммутации электрических цепей с предварительно настроенными координатами и предустановками с привязкой к реальному времени. Устройство автоматически вычисляет время восхода и заката солнца на основе введенных координат и текущего времени, позволяя управлять освещением без использования внешних датчиков.
ПРИНЦИП РАБОТЫ УСТРОЙСТВА
Устройство управляет нагрузкой (включением и выключением) по восходу (включение) и закату (выключение) солнца. РЭВ-225 оснащено встроенными часами реального времени, питание которых осуществляется (в случае отключения основного питания) от встроенного элемента резервного питания – литиевой батареи.
Астрономический режим работы — в качестве события (включено или выключено реле) является алгоритмически рассчитанное время восхода или заката солнца с привязкой к реальному времени и координатам местности, без использования внешнего фотодатчика.
Вышеописанный алгоритм выполняется ежедневно, таймер рассчитывает реальное время восхода и заката солнца, сравнивая его с реальным временем установленным пользователем (имеется функция сдвига, для полярных широт).

ОСНОВНЫЕ ОСОБЕННОСТИ
- Источник питания рассчитан на работу в течение 3 лет (литиевая батарея);
- Жидкокристаллический дисплей;
- Индикатор состояния Устройства и встроенного реле;
- Режим работы для выходных дней;
- Возможность опломбировать крышку на передней панели;
- 1 переключающая группа контактов 16А/AC230В.
КОНСТРУКЦИЯ УСТРОЙСТВА
Устройство выпускается в унифицированном пластмассовом корпусе с передним присоединением проводов питания и коммутируемых электрических цепей. Крепление осуществляется на монтажную DIN-рейку шириной 35мм (ГОСТ Р МЭК 60715-2003). Конструкция клемм обеспечивает надёжный зажим проводов питания сечением до 4 мм 2
Дополнительную информацию о параметрах и режимах работы устройства Вы можете найти в паспорте изделия (вкладка «файлы»)
Таймер РЭВ-225 астрономического реле времени автоматически управляет нагрузкой (освещением) по восходу и закату солнца на основе координат и текущего времени, отключает нагрузку ночью
Цена за 1шт.
При покупке от 1шт. 2550 руб.
При покупке от 3шт. 2460.75 руб.
РЭВ-225 является микропроцессорным устройством, предназначенным для работы в системах автоматического управления с привязкой к астрономическому времени (восход / закат солнца).
В РЭВ-225 автоматически вычисляется время восхода и заката солнца на основе введенных координат и текущего времени, позволяя управлять освещением без использования внешних датчиков.
Предусмотрена настройка программы позволяющая отключать нагрузку ночью (ночной перерыв).
Встроенный источник питания (литиевая батарея) обеспечивает сохранение работы часов реального времени и изделия в случае отсутствия питания от сети.
Особенности РЭВ-225:
– Цифровое реле времени с астрономической программой;
– Источник питания рассчитан на работу в течение 3 лет (литиевая батарея);
– Пломбируемая крышка передней панели;
– Настройка с помощью четырех кнопок;
– Автоматическое переключение на летнее/зимнее время;
– Жидкокристаллический дисплей;
– Режим работы для выходных дней;
– Один канал;
– Двойной модуль, устанавливаемый на DIN-рейку 35 мм.
Астрономическое реле времени РЭВ-225
Добрый день, Алек.
В прямую это реализовать нельзя.
Реле сравнивает время восхода (заката) рассчитанным по координатам с установленным временем и затем включает (выключает) нагрузку.
Вашу схему можно реализовать функцией «сдвиг» в диапазоне +/-2 часа.
Об этом Вы можете прочитать в «Руководство по эксплуатации реле времени РЭВ-225 Новатек-Электро» выложенном в папку «Документация» страници сайта с реле.
Добрый день, Alex.
Дата производства — август 2020 года.
Отправляя данные, вы соглашаетесь с политикой конфиденциальности.
Отправляя данные, вы соглашаетесь с политикой конфиденциальности.
Способы получения заказов
— г. Москва, ул.Новохохловская, д.91, стр.10.
— г. Москва, ул.Маломосковская, д.22, стр.1
— Пн-Пт c 8.00 до 20.00; Сб-Вс с 8:00 до 18:00.
— Минимальная сумма заказа отсутствует.
Оплата:
— наличными при получении.
— банковской картой через терминал.
— банковский перевод по выставленому счету
(зачисление оплаты происходит в течении суток)
Доставка по Москве — подробнее .
— Минимальная сумма заказа составляет — 1000 рублей.
— в пределах МКАД +10 км. — 300 рублей.
— Пн-Вс с 10:00 до 18:00.
Оплата:
— наличными при получении.
— банковский перевод по выставленому счету
(зачисление оплаты происходит в течении суток)
Самовывоз в Московской области — подробнее .
Заказать и купить в городах Московской области:
— Минимальная сумма заказа составляет — 1000 рублей.
— до 10-ти км. от МКАД — 300 рублей.
— от 10-го км. от МКАД — 300 рублей + 40 рублей за 1 км., осуществляется в зависимости от суммы заказа.
— Пн-Вс с 10.00 до 18.00.
Оплата:
— наличными при получении.
— банковский перевод по выставленому счету
(зачисление оплаты происходит в течении суток)
Доставка в города Московской области Курьерской Службой — подробнее .
— Минимальная сумма заказа составляет — 1000 рублей.
— Доставка до терминала Курьерской службы в г. Москва — Бесплатно.
— Все услуги Курьерской службы оплачиваются покупателем.
— Предоплата заказа банковским переводом по счету, оплата услуг Курьерской Службы при получении.
Отправка в города России Курьерской Службой — подробнее .
— Минимальная сумма заказа составляет — 1000 рублей.
— Доставка до терминала Курьерской службы в г. Москва — Бесплатно.
— Все услуги Курьерской службы оплачиваются покупателем.
— Предоплата заказа банковским переводом по счету, оплата услуг Курьерской Службы при получении.
Отправка в города РФ Транспортной Компанией — подробнее .
— Минимальная сумма заказа составляет — 1000 рублей.
— 300 рублей доставка до терминала Транспортной Компании в г.Москве.
— Все услуги Транспортной Компании оплачиваются покупателем.
— Предоплата заказа банковским переводом по счету, оплата услуг Транспортной Компании при получении.
Способы получения заказов
— Минимальная сумма заказа отсутствует.
— г. Москва, ул.Новохохловская, д.91, стр.10.
— c 10.00 до 20.00 по рабочим дням РФ.
— заказ оплачивается при получении.
— Минимальная сумма заказа составляет — 1000 рублей.
— 300 рублей в пределах МКАД.
— с 10.00 до 18.00 по рабочим дням РФ.
— заказ оплачивается при получении.
— Минимальная сумма заказа составляет — 1000 рублей.
— 500 рублей до 5-ти км. от МКАД.
— 40 рублей за 1 км. от МКАД + 300 рублей в пределах МКАД, осуществляется в зависимости от суммы заказа.
— с 10.00 до 18.00 по рабочим дням РФ.
— заказ оплачивается при получении.
- Доставка в города Московской области Курьерской Службой — подробнее.
— Минимальная сумма заказа составляет — 1000 рублей.
— Доставка до терминала Курьерской службы в г. Москва — Бесплатно.
— Все услуги Курьерской службы оплачиваются покупателем.
— Предоплата заказа, оплата услуг Курьерской Службы при получении.
- Отправка в города России Курьерской Службой — подробнее.
— Минимальная сумма заказа составляет — 1000 рублей.
— Доставка до терминала Курьерской службы в г. Москва — Бесплатно.
— Все услуги Курьерской службы оплачиваются покупателем.
— Предоплата заказа, оплата услуг Курьерской Службы при получении.
- Отправка в города РФ Транспортной Компанией — подробнее.
— Минимальная сумма заказа составляет — 1000 рублей.
— 300 рублей доставка до терминала Транспортной Компании в г.Москве.
— Все услуги Транспортной Компании оплачиваются покупателем.
— Предоплата заказа, оплата услуг Транспортной Компании при получении.
Способы получения заказов
— Минимальная сумма заказа отсутствует.
— г. Москва, ул.Новохохловская, д.91, стр.10.
— c 10.00 до 20.00 по рабочим дням РФ.
Оплата:
— наличными при получении.
— банковской картой через терминал.
— банковский перевод по выставленому счету
(поступление происходит в течении суток)
— Минимальная сумма заказа составляет — 1000 рублей.
— 300 рублей в пределах МКАД.
— с 10.00 до 18.00 по рабочим дням РФ.
Оплата:
— наличными при получении.
— банковский перевод по выставленому счету
(поступление происходит в течении суток)
— Минимальная сумма заказа составляет — 1000 рублей.
— 500 рублей до 5-ти км. от МКАД.
— 40 рублей за 1 км. от МКАД + 300 рублей в пределах МКАД, осуществляется в зависимости от суммы заказа.
— с 10.00 до 18.00 по рабочим дням РФ.
Оплата:
— наличными при получении.
— банковский перевод по выставленому счету
(поступление происходит в течении суток)
- Доставка в города Московской области Курьерской Службой — подробнее.
— Минимальная сумма заказа составляет — 1000 рублей.
— Доставка до терминала Курьерской службы в г. Москва — Бесплатно.
— Все услуги Курьерской службы оплачиваются покупателем.
— Предоплата заказа банковским переводом по счету, оплата услуг Курьерской Службы при получении.
- Отправка в города России Курьерской Службой — подробнее.
— Минимальная сумма заказа составляет — 1000 рублей.
— Доставка до терминала Курьерской службы в г. Москва — Бесплатно.
— Все услуги Курьерской службы оплачиваются покупателем.
— Предоплата заказа банковским переводом по счету, оплата услуг Курьерской Службы при получении.
- Отправка в города РФ Транспортной Компанией — подробнее.
— Минимальная сумма заказа составляет — 1000 рублей.
— 300 рублей доставка до терминала Транспортной Компании в г.Москве.
— Все услуги Транспортной Компании оплачиваются покупателем.
— Предоплата заказа банковским переводом по счету, оплата услуг Транспортной Компании при получении.
Астрономическое реле времени РЭВ-225
Добрый день, Николай.
В случае многожильного кабеля, лучше его оконцевать втулочными наконечниками.
Добрый день, Юрий.
Производитель такую информацию не предоставляет.
При выходе из строя установленного модуля в светодиодном светильнике Вам необходимо будет заменить светильник по гарантии или купить новый.
Добрый день, Михаил.
Серия Levit — двухцветная.
Основной цвет этого диммера антрацит. В самом низу поворотной ручки есть полоса дымчато чёрного цвета.
Добрый день, Дмитрий.
Это передатчик для системы радиоуправления «Уютный дом».
Питание от батарейки (входит в комплект).
Приемник приобретается отдельно, например: SQ1508-0209, SQ1508-0211, SQ1508-0212, SQ1508-0213.
Добрый день, Владимир Николаевич.
В этот светильник лампы T100 — T160 не подходят.
Добрый день, Павел.
К этому светильник подходит лампа 11W.
Лампа 9W не рекомендована.
Добрый день, Peter.
Материал изготовления — никелированная латунь.
Добрый день, Андрей.
Длина вала — 60 мм, диаметр вала — 28 мм.
Добрый день, Александр.
Производство — октябрь 2020г.
Добрый день, Радик.
Частота и место расположение светильников может подсказать проектная организация для создания комфортного освещения помещения.
При установки БАП в светильник он может стать аварийным.
Добрый день, Андрей.
Шкафы UK600 могут соединяться между собой по горизонтали и по вертикали.
Соединительный элемент не только обеспечивает возможность прокладки кабелей, но и гарантирует ровные зазоры между рамами дверей соединяемых шкафов.
Для этого используется аксессуар с артикулом 2CPX031408R9999.
Добрый день, Андрей.
Оформить заказ через корзину сайта на физ. или юр. лицо.
Добрый день, Марина.
Под эту лампу возможно найти светильники, но в нашем ассортименте есть только комплектующие для него.
ЭмПРА и комплектующие для ее подключения:
Дроссель Vossloh Schwabe L5/7/9/11.307 230V/50HZ для ламп КЛЛ — Артикул: 163694
Патрон 35007 VS G23 М3 центральный, М4 боковые и под саморезы — Артикул: 101310
Провод установочный ПВ-1 (ПуВ) 1,0 белый ГОСТ 31947 (ПВ1) — Артикул: M0001132
Добрый день, Сергей.
Сменные матрицы для клещей обжимных КО-5Е не поставляются.
Добрый день, Александр.
Лампа Osram 4ArXS HSD для фотооптики может использоваться в различных световых приборах со своими требованиям к ПРА и блоков розжига.
Такую информацию можно найти в паспорте устройства. У нас такой информации нет.
Добрый день, Алексей.
Можем предложить Вам из наличия: Трансформатор LED BLV Trafo Luxia 0-105W 230-12V для светодиодных ламп — Артикул: 456002
Добрый день, Игорь.
Используется LED- лампа.
Добрый день, Сергей.
Да. Возможно.
Добрый день, Алексей.
Можно, кабель продается кратно 1 метру.
Добрый день, Ирина.
Да. Этот ЭПРА будет работать с 2-мя лампами по 18W.
Добрый день, Андрей.
Розетка в светильнике на 16A 220-240V.
Добрый день, Роман.
Розетка кабельная ABB 3125 C6W IP67 125A 3P+E с артикулом 2CMA166924R1000.
Добрый день, Сергей.
В руководстве по эксплуатации указан межповерочный интервал-5 лет.
Производитель ИЭК.
Добрый день, Ольга.
Да. Этот светильник предназначен для лампы T5 6W G5 212mm.
Лампа T5 6W 2700K входит в комплект светильника (ее Вам нужно будет извлечь).
К светильнику возможно потребуется приобрести еще кабель питания: Сетевой кабель с вилкой 1,1м (cable 1100mm) — Артикул: 666521
Отправляя данные, вы соглашаетесь с политикой конфиденциальности.
Отправляя данные, вы соглашаетесь с политикой конфиденциальности. Отправляя данные, вы соглашаетесь с политикой конфиденциальности.
Самовывоз в Нижнем Новгороде
— Минимальная сумма заказа отсутствует.
— Нижний Новгород, ул. Бекетова, д.73А
— с 08:00 до 20:00
— наличными при получении.
— банковской картой через терминал.
— банковский перевод по выставленому счету (зачисление оплаты происходит в течении суток)
Доставка по Нижнему Новгороду
— 190 рублей (сумма заказа до 5 000 рублей).
— 0 рублей (сумма заказа более 5 000 рублей)
— с 10.00 до 18.00 по рабочим дням РФ.
— наличными при получении.
— банковский перевод по выставленому счету (зачисление оплаты происходит в течении суток)
Доставка по Нижегородской области
— Минимальная сумма заказа составляет 1000 рублей.
— от 500 рублей (сумма заказа до 10 000 рублей).
— БЕСПЛАТНО (сумма заказа более 10 000 рублей).
— с 10.00 до 18.00 по рабочим дням РФ.
— наличными при получении.
— банковский перевод по выставленому счету (зачисление оплаты происходит в течении суток)
Способы получения заказов
— Минимальная сумма заказа отсутствует.
— г. Москва, ул.Новохохловская, д.91, стр.10.
— c 10.00 до 20.00 по рабочим дням РФ.
— заказ оплачивается при получении.
— Минимальная сумма заказа составляет — 1000 рублей.
— 300 рублей в пределах МКАД.
— с 10.00 до 18.00 по рабочим дням РФ.
— заказ оплачивается при получении.
— Минимальная сумма заказа составляет — 1000 рублей.
— 500 рублей до 5-ти км. от МКАД.
— 40 рублей за 1 км. от МКАД + 300 рублей в пределах МКАД, осуществляется в зависимости от суммы заказа.
— с 10.00 до 18.00 по рабочим дням РФ.
— заказ оплачивается при получении.
- Доставка в города Московской области Курьерской Службой — подробнее.
— Минимальная сумма заказа составляет — 1000 рублей.
— Доставка до терминала Курьерской службы в г. Москва — Бесплатно.
— Все услуги Курьерской службы оплачиваются покупателем.
— Предоплата заказа, оплата услуг Курьерской Службы при получении.
- Отправка в города России Курьерской Службой — подробнее.
— Минимальная сумма заказа составляет — 1000 рублей.
— Доставка до терминала Курьерской службы в г. Москва — Бесплатно.
— Все услуги Курьерской службы оплачиваются покупателем.
— Предоплата заказа, оплата услуг Курьерской Службы при получении.
- Отправка в города РФ Транспортной Компанией — подробнее.
— Минимальная сумма заказа составляет — 1000 рублей.
— 300 рублей доставка до терминала Транспортной Компании в г.Москве.
— Все услуги Транспортной Компании оплачиваются покупателем.
— Предоплата заказа, оплата услуг Транспортной Компании при получении.
Способы получения заказов
— Минимальная сумма заказа отсутствует.
— г. Москва, ул.Новохохловская, д.91, стр.10.
— c 10.00 до 20.00 по рабочим дням РФ.
Оплата:
— наличными при получении.
— банковской картой через терминал.
— банковский перевод по выставленому счету
(поступление происходит в течении суток)
— Минимальная сумма заказа составляет — 1000 рублей.
— 300 рублей в пределах МКАД.
— с 10.00 до 18.00 по рабочим дням РФ.
Оплата:
— наличными при получении.
— банковский перевод по выставленому счету
(поступление происходит в течении суток)
— Минимальная сумма заказа составляет — 1000 рублей.
— 500 рублей до 5-ти км. от МКАД.
— 40 рублей за 1 км. от МКАД + 300 рублей в пределах МКАД, осуществляется в зависимости от суммы заказа.
— с 10.00 до 18.00 по рабочим дням РФ.
Оплата:
— наличными при получении.
— банковский перевод по выставленому счету
(поступление происходит в течении суток)
- Доставка в города Московской области Курьерской Службой — подробнее.
— Минимальная сумма заказа составляет — 1000 рублей.
— Доставка до терминала Курьерской службы в г. Москва — Бесплатно.
— Все услуги Курьерской службы оплачиваются покупателем.
— Предоплата заказа банковским переводом по счету, оплата услуг Курьерской Службы при получении.
- Отправка в города России Курьерской Службой — подробнее.
— Минимальная сумма заказа составляет — 1000 рублей.
— Доставка до терминала Курьерской службы в г. Москва — Бесплатно.
— Все услуги Курьерской службы оплачиваются покупателем.
— Предоплата заказа банковским переводом по счету, оплата услуг Курьерской Службы при получении.
- Отправка в города РФ Транспортной Компанией — подробнее.
— Минимальная сумма заказа составляет — 1000 рублей.
— 300 рублей доставка до терминала Транспортной Компании в г.Москве.
— Все услуги Транспортной Компании оплачиваются покупателем.
— Предоплата заказа банковским переводом по счету, оплата услуг Транспортной Компании при получении.
Источник
Содержание
- Реле времени астрономическое РЭВ-225 AC230В УХЛ3.1
- Реле времени астрономическое РЭВ-225 AC230В УХЛ3.1
- Астрономическое реле времени РЭВ-225, Novatec Electro
- Астрономическое реле РЭВ 225
- Астрономическое реле времени REV 225, технические особенности оборудования:
- Применение оборудования РЭВ 225
- Астрономическое реле времени. Установка аппаратуры
- РЭВ-225 астрономический таймер
- Астрономическое реле времени РЭВ-225
- Оплата:
- Оплата:
- Оплата:
Реле времени астрономическое РЭВ-225 AC230В УХЛ3.1
НАЗНАЧЕНИЕ
Астрономический таймер РЭВ-225 (далее устройство) предназначен для коммутации электрических цепей с предварительно настроенными координатами и предустановками с привязкой к реальному времени. Устройство автоматически вычисляет время восхода и заката солнца на основе введенных координат и текущего времени, позволяя управлять освещением без использования внешних датчиков.
ПРИНЦИП РАБОТЫ УСТРОЙСТВА
Устройство управляет нагрузкой (включением и выключением) по восходу (включение) и закату (выключение) солнца. РЭВ-225 оснащено встроенными часами реального времени, питание которых осуществляется (в случае отключения основного питания) от встроенного элемента резервного питания – литиевой батареи.
Астрономический режим работы — в качестве события (включено или выключено реле) является алгоритмически рассчитанное время восхода или заката солнца с привязкой к реальному времени и координатам местности, без использования внешнего фотодатчика.
Вышеописанный алгоритм выполняется ежедневно, таймер рассчитывает реальное время восхода и заката солнца, сравнивая его с реальным временем установленным пользователем (имеется функция сдвига, для полярных широт).

ОСНОВНЫЕ ОСОБЕННОСТИ
- Источник питания рассчитан на работу в течение 3 лет (литиевая батарея);
- Жидкокристаллический дисплей;
- Индикатор состояния Устройства и встроенного реле;
- Режим работы для выходных дней;
- Возможность опломбировать крышку на передней панели;
- 1 переключающая группа контактов 16А/AC230В.
КОНСТРУКЦИЯ УСТРОЙСТВА
Устройство выпускается в унифицированном пластмассовом корпусе с передним присоединением проводов питания и коммутируемых электрических цепей. Крепление осуществляется на монтажную DIN-рейку шириной 35мм (ГОСТ Р МЭК 60715-2003). Конструкция клемм обеспечивает надёжный зажим проводов питания сечением до 4 мм 2
Дополнительную информацию о параметрах и режимах работы устройства Вы можете найти в паспорте изделия (вкладка «файлы»)
Источник
Реле времени астрономическое РЭВ-225 AC230В УХЛ3.1
НАЗНАЧЕНИЕ
Астрономический таймер РЭВ-225 (далее устройство) предназначен для коммутации электрических цепей с предварительно настроенными координатами и предустановками с привязкой к реальному времени. Устройство автоматически вычисляет время восхода и заката солнца на основе введенных координат и текущего времени, позволяя управлять освещением без использования внешних датчиков.
ПРИНЦИП РАБОТЫ УСТРОЙСТВА
Устройство управляет нагрузкой (включением и выключением) по восходу (включение) и закату (выключение) солнца. РЭВ-225 оснащено встроенными часами реального времени, питание которых осуществляется (в случае отключения основного питания) от встроенного элемента резервного питания – литиевой батареи.
Астрономический режим работы — в качестве события (включено или выключено реле) является алгоритмически рассчитанное время восхода или заката солнца с привязкой к реальному времени и координатам местности, без использования внешнего фотодатчика.
Вышеописанный алгоритм выполняется ежедневно, таймер рассчитывает реальное время восхода и заката солнца, сравнивая его с реальным временем установленным пользователем (имеется функция сдвига, для полярных широт).

ОСНОВНЫЕ ОСОБЕННОСТИ
- Источник питания рассчитан на работу в течение 3 лет (литиевая батарея);
- Жидкокристаллический дисплей;
- Индикатор состояния Устройства и встроенного реле;
- Режим работы для выходных дней;
- Возможность опломбировать крышку на передней панели;
- 1 переключающая группа контактов 16А/AC230В.
КОНСТРУКЦИЯ УСТРОЙСТВА
Устройство выпускается в унифицированном пластмассовом корпусе с передним присоединением проводов питания и коммутируемых электрических цепей. Крепление осуществляется на монтажную DIN-рейку шириной 35мм (ГОСТ Р МЭК 60715-2003). Конструкция клемм обеспечивает надёжный зажим проводов питания сечением до 4 мм 2
Дополнительную информацию о параметрах и режимах работы устройства Вы можете найти в паспорте изделия (вкладка «файлы»)
Источник
Астрономическое реле времени РЭВ-225, Novatec Electro
Астрономическое реле времени. Уточняйте наличие у менеджера
Астрономическое реле РЭВ 225

Инструкция РЭВ-225
Астрономическое реле марки РЭВ-225 представляет собой микропроцессорный аппарат управления/распределения, которыйразработан для функционирования в автоматических системах. Такие приборы привязаны к астрономическому времени, что позволяет им вычислять время восхода/захода за счёт заданногоместоположения и текущего времени. Устройства данного типа используются преимущественно для подключения к осветительным приборам с целью управления освещением без использования дополнительных датчиков.
Астрономическое реле времени REV 225, технические особенности оборудования:
Среди ключевых характеристик реле РЭВ-225 выделяют:
- номинальное напряжение: 230 В;
- частота: 50-60 Гц;
- допустимое рабочее напряжение: 130-280 В;
- потребляемая мощность: 1,3 Вт;
- степень защиты: IP20;
- степень защиты от удара электротоком: 2;
- категория перенапряжения: 2;
- количество каналов: 1;
- тип программы: астрономический;
- отклонение времени: 1 с/сутки;
- вариант контактов: переключающий;
- количество контактов: один;
- вес РЭВ 225: 110 грамм.
Также предусмотрено автоматическое переключение на зимнее/летнее время.
Применение оборудования РЭВ 225
Астрономическое реле времени РЭВ-225 разработано для эксплуатации в однофазной сети. Аппаратура имеет климатическое исполнение УХЛ3.1, что позволяет использовать её в холодных или умеренных макроклиматических районах в закрытых помещениях без отопления с естественной вентиляцией. При эксплуатации важно также соблюдать следующие условия:
- рабочие температуры: от -30 до +55 °С;
- давление: 84-106,7 кПа;
- влажность: до 50%.
Используя устройство, важно избегать ударов, вибраций, большой степени загрязнения (допустимый уровень – 3), агрессивных кислотных или щелочных сред и чрезмерной влажности.
Астрономическое реле времени. Установка аппаратуры
Реле марки РЭВ-225 монтируется на стандартную ДИН-рейку 35 мм. Подключение производится при помощи кабелей с сечением 1-4 мм 2 с изоляцией на напряжение 450 В. Инсталляцию рекомендуется проводить при полном обесточивании. Средний срок службы литиевой батареи прибора составляет 3 года.
Источник
РЭВ-225 астрономический таймер
| Изготовитель: | Новатек-Электро |
| Артикул: | 3425604225 |
| Максимальный ток, А: | 16 |
| Напряжение питания, В: | 230 АС |
| Тип контактов: | 1 переключающий |
| Запас хода, не менее: | 2 года |
| Диапазон рабочих температур, ⁰С: | от -30 до +55 |
| Габаритные размеры, мм: | 36х90х65 |
| Способ монтажа: | на DIN-рейку |
| Тип подключения: | винтовые зажимы |
Подробнее
Астрономический таймер РЭВ-225 является микропроцессорным устройством, предназначенным для работы в системах автоматического управления с привязкой к астрономическому времени (восход / закат солнца).
В РЭВ-225 автоматически вычисляется время восхода и заката солнца на основе введенных координат и текущего времени, позволяя управлять освещением без использования внешних датчиков.
Особенности:
— одноканальный;
— цифровая индикация;
— функция ночного перерыва;
— корректировка времени срабатывания в пределах ±2 часа;
— встроенная Li-ионная батарея, поддерживающая работу программы в течение не менее 3-х лет после отключения напряжения питания.
Примечание:
при токе нагрузки, превышающем 16А, необходимо применять контактор.
| Изготовитель: | Новатек-Электро |
| Артикул: | 3425604225 |
| Максимальный ток, А: | 16 |
| Напряжение питания, В: | 230 АС |
| Тип контактов: | 1 переключающий |
| Запас хода, не менее: | 2 года |
| Диапазон рабочих температур, ⁰С: | от -30 до +55 |
| Габаритные размеры, мм: | 36х90х65 |
| Способ монтажа: | на DIN-рейку |
| Тип подключения: | винтовые зажимы |
| Гарантия производителя, лет: | 5 |
- наличными или банковской картой при получении товара в пунктах выдачи СДЭК, при условии наличия в них терминала.
- через банк перечислением на наш расчетный счет по выставленному счету.
- по безналичному расчету для юридических лиц.
подробнее


Доставка до адреса осуществляется курьерской службой ежедневно, кроме выходных и праздничных дней.
Стоимость доставки для физических лиц:
До адреса в пределах МКАД – 350р
До адреса за МКАД и по Московской области 500р
В пункты выдачи в пределах МКАД – 150р
В пункты выдачи, расположенные за МКАД и по Московской области -200р
В остальные регионы – по согласованию с менеджером, в зависимости от тарифов курьерской службы.
Стоимость доставки для юридических лиц:
До адреса в пределах МКАД – 600р
До адреса за МКАД и по Московской области 700р
В пункты выдачи в пределах МКАД – 200р
В пункты выдачи, расположенные за МКАД и по Московской области -300р
В остальные регионы – по согласованию с менеджером, в зависимости от тарифов курьерской службы.
В соответствие с законом «О защите прав потребителя» предоставляется производителем товара, а по всем вопросам гарантийного обслуживания покупатель обращается в сервисный центр производителя.
По согласованию возможна отправка товара в сервисный центр через нашу компанию. Все транспортные расходы в этом случае несет покупатель, а сроки исполнения гарантийных обязательств увеличиваются в 1,5-2 раза.
Возврат товара надлежащего качества при дистанционной торговле возможен в течение 7 дней после передачи товара. Потребитель обязан в таком случае оплатить стоимость доставки товара до продавца. (п.4 ст.26.1).
Обмен товара надлежащего качества в случае, если он не подошел по какой-либо из причин, на аналогичный товар возможен в течение 14 дней после передачи товара. (п.1 ст.25)
Возврат и обмен товара возможен, если товар не был в употреблении, сохранены его товарный вид, потребительские свойства, пломбы, а также имеется кассовый чек на приобретение товара. (п.1 ст.25)
Потребитель не вправе отказаться от товара, имеющего индивидуально-определенные свойства(товары изготавливаемые и поставляемые под заказ)(п.4 ст.26.1).
Источник
Астрономическое реле времени РЭВ-225
- Руководство по эксплуатации реле времени РЭВ-225 Новатек-Электро
- Сертификат ТР ТС
0)window.scrollBy(0,-100);»>
| 1. | юрий козлов, 20.08.2021 10:45
Добрый день, Юрий. |
|
|
|
| 2. | Михаил, 21.06.2021 18:16
Добрый день, Михаил. |
|
|
|
| 3. | Дмитрий, 07.04.2021 16:08
Добрый день, Дмитрий. |
|
|
|
| 4. | Владимир Николаевич Зайцев, 12.03.2021 12:36
Добрый день, Владимир Николаевич. |
|
|
|
| 5. | Павел, 09.02.2021 17:18
Добрый день, Павел. |
|
|
|
| 6. | Peter , 20.01.2021 21:07
Добрый день, Peter. |
|
|
|
| 7. | АНДРЕЙ ЖОРИН, 29.12.2020 14:31
Добрый день, Андрей. |
|
|
|
| 8. | Александр, 06.11.2020 00:22
Добрый день, Александр. |
|
|
|
| 9. | Радик , 06.10.2020 14:48
Добрый день, Радик. |
|
|
|
| 10. | Андрей, 07.09.2020 21:47
Добрый день, Андрей. |
|
|
|
| 11. | Андрей, 24.08.2020 15:45
Добрый день, Андрей. |
|
|
|
| 12. | Марина, 03.05.2020 23:57
Добрый день, Марина. ЭмПРА и комплектующие для ее подключения: |
|
|
|
| 13. | Сергей, 03.05.2020 21:26
Добрый день, Сергей. |
|
|
|
| 14. | Александр, 21.04.2020 16:53
Добрый день, Александр. |
|
|
|
| 15. | Алексей , 13.01.2020 16:39
Добрый день, Алексей. |
|
|
|
| 16. | Игорь, 29.12.2019 11:53
Добрый день, Игорь. |
|
|
|
| 17. | Сергей Белов, 06.11.2019 10:35
Добрый день, Сергей. |
|
|
|
| 18. | Алексей, 14.10.2019 09:48
Добрый день, Алексей. |
|
|
|
| 19. | Ирина, 12.10.2019 13:41
Добрый день, Ирина. |
|
|
|
| 20. | Андрей, 04.08.2019 01:20
Добрый день, Андрей. |
|
|
|
| 21. | Роман, 24.07.2019 13:32
Добрый день, Роман. |
|
|
|
| 22. | Сергей, 03.07.2019 17:16
Добрый день, Сергей. |
|
|
|
| 23. | Ольга, 27.06.2019 13:27
Добрый день, Ольга. |
|
|
Отправляя данные, вы соглашаетесь с политикой конфиденциальности.
0)window.scrollBy(0,-100);»>
Отправляя данные, вы соглашаетесь с политикой конфиденциальности. Отправляя данные, вы соглашаетесь с политикой конфиденциальности.
— Минимальная сумма заказа отсутствует.
— Нижний Новгород, ул. Бекетова, д.73А
— наличными при получении.
— банковской картой через терминал.
— банковский перевод по выставленому счету (зачисление оплаты происходит в течении суток)
Доставка по Нижнему Новгороду
— 190 рублей (сумма заказа до 5 000 рублей).
— 0 рублей (сумма заказа более 5 000 рублей)
— с 10.00 до 18.00 по рабочим дням РФ.
— наличными при получении.
— банковский перевод по выставленому счету (зачисление оплаты происходит в течении суток)
Доставка по Нижегородской области
— Минимальная сумма заказа составляет 1000 рублей.
— от 500 рублей (сумма заказа до 10 000 рублей).
— БЕСПЛАТНО (сумма заказа более 10 000 рублей).
— с 10.00 до 18.00 по рабочим дням РФ.
— наличными при получении.
— банковский перевод по выставленому счету (зачисление оплаты происходит в течении суток)
Способы получения заказов
— Минимальная сумма заказа отсутствует.
— г. Москва, ул.Новохохловская, д.91, стр.10.
— c 10.00 до 20.00 по рабочим дням РФ.
— заказ оплачивается при получении.
— Минимальная сумма заказа составляет — 1000 рублей.
— 300 рублей в пределах МКАД.
— с 10.00 до 18.00 по рабочим дням РФ.
— заказ оплачивается при получении.
— Минимальная сумма заказа составляет — 1000 рублей.
— 500 рублей до 5-ти км. от МКАД.
— 40 рублей за 1 км. от МКАД + 300 рублей в пределах МКАД, осуществляется в зависимости от суммы заказа.
— с 10.00 до 18.00 по рабочим дням РФ.
— заказ оплачивается при получении.
- Доставка в города Московской области Курьерской Службой — подробнее.
— Минимальная сумма заказа составляет — 1000 рублей.
— Доставка до терминала Курьерской службы в г. Москва — Бесплатно.
— Все услуги Курьерской службы оплачиваются покупателем.
— Предоплата заказа, оплата услуг Курьерской Службы при получении.
- Отправка в города России Курьерской Службой — подробнее.
— Минимальная сумма заказа составляет — 1000 рублей.
— Доставка до терминала Курьерской службы в г. Москва — Бесплатно.
— Все услуги Курьерской службы оплачиваются покупателем.
— Предоплата заказа, оплата услуг Курьерской Службы при получении.
- Отправка в города РФ Транспортной Компанией — подробнее.
— Минимальная сумма заказа составляет — 1000 рублей.
— 300 рублей доставка до терминала Транспортной Компании в г.Москве.
— Все услуги Транспортной Компании оплачиваются покупателем.
— Предоплата заказа, оплата услуг Транспортной Компании при получении.
Способы получения заказов
— Минимальная сумма заказа отсутствует.
— г. Москва, ул.Новохохловская, д.91, стр.10.
— c 10.00 до 20.00 по рабочим дням РФ.
Оплата:
— наличными при получении.
— банковской картой через терминал.
— банковский перевод по выставленому счету
(поступление происходит в течении суток)
— Минимальная сумма заказа составляет — 1000 рублей.
— 300 рублей в пределах МКАД.
— с 10.00 до 18.00 по рабочим дням РФ.
Оплата:
— наличными при получении.
— банковский перевод по выставленому счету
(поступление происходит в течении суток)
— Минимальная сумма заказа составляет — 1000 рублей.
— 500 рублей до 5-ти км. от МКАД.
— 40 рублей за 1 км. от МКАД + 300 рублей в пределах МКАД, осуществляется в зависимости от суммы заказа.
— с 10.00 до 18.00 по рабочим дням РФ.
Оплата:
— наличными при получении.
— банковский перевод по выставленому счету
(поступление происходит в течении суток)
- Доставка в города Московской области Курьерской Службой — подробнее.
— Минимальная сумма заказа составляет — 1000 рублей.
— Доставка до терминала Курьерской службы в г. Москва — Бесплатно.
— Все услуги Курьерской службы оплачиваются покупателем.
— Предоплата заказа банковским переводом по счету, оплата услуг Курьерской Службы при получении.
- Отправка в города России Курьерской Службой — подробнее.
— Минимальная сумма заказа составляет — 1000 рублей.
— Доставка до терминала Курьерской службы в г. Москва — Бесплатно.
— Все услуги Курьерской службы оплачиваются покупателем.
— Предоплата заказа банковским переводом по счету, оплата услуг Курьерской Службы при получении.
- Отправка в города РФ Транспортной Компанией — подробнее.
— Минимальная сумма заказа составляет — 1000 рублей.
— 300 рублей доставка до терминала Транспортной Компании в г.Москве.
— Все услуги Транспортной Компании оплачиваются покупателем.
— Предоплата заказа банковским переводом по счету, оплата услуг Транспортной Компании при получении.
Источник
| Изготовитель: | Новатек-Электро |
| Артикул: | 3425604225 |
| Максимальный ток, А: | 16 |
| Напряжение питания, В: | 230 АС |
| Тип контактов: | 1 переключающий |
| Запас хода, не менее: | 2 года |
| Диапазон рабочих температур, ⁰С: | от -30 до +55 |
| Габаритные размеры, мм: | 36х90х65 |
| Способ монтажа: | на DIN-рейку |
| Тип подключения: | винтовые зажимы |
Подробнее
- Описание
- Характеристики
- Оплата
- Доставка
- Гарантии
- Документы
- Отзывы
Астрономический таймер РЭВ-225 является микропроцессорным устройством, предназначенным для работы в системах автоматического управления с привязкой к астрономическому времени (восход / закат солнца).
В РЭВ-225 автоматически вычисляется время восхода и заката солнца на основе введенных координат и текущего времени, позволяя управлять освещением без использования внешних датчиков.
Особенности:
— одноканальный;
— цифровая индикация;
— функция ночного перерыва;
— корректировка времени срабатывания в пределах ±2 часа;
— встроенная Li-ионная батарея, поддерживающая работу программы в течение не менее 3-х лет после отключения напряжения питания.
Примечание:
при токе нагрузки, превышающем 16А, необходимо применять контактор.
| Изготовитель: | Новатек-Электро |
| Артикул: | 3425604225 |
| Максимальный ток, А: | 16 |
| Напряжение питания, В: | 230 АС |
| Тип контактов: | 1 переключающий |
| Запас хода, не менее: | 2 года |
| Диапазон рабочих температур, ⁰С: | от -30 до +55 |
| Габаритные размеры, мм: | 36х90х65 |
| Способ монтажа: | на DIN-рейку |
| Тип подключения: | винтовые зажимы |
| Гарантия производителя, лет: | 5 |
- наличными или банковской картой при получении товара в пунктах выдачи СДЭК, при условии наличия в них терминала.
- через банк перечислением на наш расчетный счет по выставленному счету.
- по безналичному расчету для юридических лиц.
подробнее
Пункты выдачи в Москве и МО Пункты выдачи в других городах России
Курьерская доставка:

Доставка до адреса осуществляется курьерской службой ежедневно, кроме выходных и праздничных дней.
Стоимость доставки для физических лиц:
До адреса в пределах МКАД – 350р
До адреса за МКАД и по Московской области 500р
В пункты выдачи в пределах МКАД – 150р
В пункты выдачи, расположенные за МКАД и по Московской области -200р
В остальные регионы – по согласованию с менеджером, в зависимости от тарифов курьерской службы.
Стоимость доставки для юридических лиц:
До адреса в пределах МКАД – 600р
До адреса за МКАД и по Московской области 700р
В пункты выдачи в пределах МКАД – 200р
В пункты выдачи, расположенные за МКАД и по Московской области -300р
В остальные регионы – по согласованию с менеджером, в зависимости от тарифов курьерской службы.
ГАРАНТИЯ ПРОИЗВОДИТЕЛЯ:
-
В соответствие с законом «О защите прав потребителя» предоставляется производителем товара, а по всем вопросам гарантийного обслуживания покупатель обращается в сервисный центр производителя.
-
По согласованию возможна отправка товара в сервисный центр через нашу компанию. Все транспортные расходы в этом случае несет покупатель, а сроки исполнения гарантийных обязательств увеличиваются в 1,5-2 раза.
-
Возврат товара надлежащего качества при дистанционной торговле возможен в течение 7 дней после передачи товара. Потребитель обязан в таком случае оплатить стоимость доставки товара до продавца. (п.4 ст.26.1).
-
Обмен товара надлежащего качества в случае, если он не подошел по какой-либо из причин, на аналогичный товар возможен в течение 14 дней после передачи товара. (п.1 ст.25)
-
Возврат и обмен товара возможен, если товар не был в употреблении, сохранены его товарный вид, потребительские свойства, пломбы, а также имеется кассовый чек на приобретение товара. (п.1 ст.25)
-
Потребитель не вправе отказаться от товара, имеющего индивидуально-определенные свойства(товары изготавливаемые и поставляемые под заказ)(п.4 ст.26.1).
Изображения служат только для ознакомления,
см. техническую документацию
Добавить в корзину 1 шт.
на сумму 2 900 руб.
Посмотреть альтернативные предложения2
Номенклатурный номер: 8021124645
Артикул: РЭВ-225
Бренд / Производитель: Новатек-Электро
Описание
реле времени, таймеры
РЭВ-225 является микропроцессорным устройством, предназначенным для работы в системах автоматического управления с привязкой к астрономическому времени (восход / закат солнца). В нем автоматически вычисляется время восхода и заката солнца на основе введенных координат и текущего времени, позволяя управлять освещением без использования внешних датчиков.
Технические параметры
| Высота, мм | 90 |
| Диапазон выдержек времени | 1мин-1год |
| Диапазон рабочих температур | от-35 до+55 |
| Длина, мм | 65 |
| Индикация | Да |
| Климатическое исполнение | УХЛ3.1 |
| Количество контактов | 1 |
| Количество модулей DIN | 2 |
| Количество НЗ контактов | 0 |
| Количество НО контактов | 0 |
| Количество переключающих контактов | 1 |
| Количество фаз | 1 |
| Коммутируемый ток, А | 16 |
| Масса, кг | 0.15 |
| Напряжение питания | 220 |
| Напряжение, В | 220 |
| Номинальная мощность, кВА | 0.05 |
| Номинальное напряжение управления, В | 220 |
| Номинальный ток,А | 16 |
| Род тока | Переменный(AC) |
| Степень защиты | IP40/IP20 |
| Тип изделия | Реле времени |
| Тип подключения | Винтовое |
| Ширина, мм | 18 |
| ETIM класс наименование | Кластер НВО |
| Бренд | Новатек-электро |
| Вид оборудования | Реле времени |
| Вид оборудования (рубильники) | Реле времени |
| Код РАЭК | 2021212 |
| Экспертизный товар | Да |
| Высота | 90 мм |
| Гарантия | 120 мес. |
| Максимальный ток | 16 A |
| Модель | РЭВ-225 |
| Напряжение | 220 В |
| Тип | Реле времени |
Сроки доставки
Доставка в регион Курск
| Магазин «ЧИП и ДИП» | 21 июля1 | бесплатно |
| Курьер | 19 июля1 | 416 руб.2 |
| ПВЗ Boxberry | 19 июля1 | 99 руб.3 |
| ПВЗ Л-Пост | 19 июля1 | 99 руб.3 |
| ПВЗ СДЭК | 20 июля1 | 99 руб.3 |
| ПВЗ 5Post | 21 июля1 | 99 руб.2 |
| ПВЗ Яндекс Доставка | 26 июля1 | 99 руб.2 |
| ТК DPD | 19 июля1 | 584 руб.2 |
| ТК «Деловые линии» | 20 июля1 | 843 руб.2 |
| Почта России | 28 июля1 | 286 руб.2 |
Цена и наличие в магазинах
| ул. Карла Маркса, 68, ТЦ «Мега Гринн», 1 этаж | нет в наличии |













