~ 2 ~
РЭВ-303 NOVATEK-ELECTRO
ПРЕДОСТЕРЕЖЕНИЯ
Перед использованием устройства внимательно ознакомьтесь с Руководством по эксплуатации.
Если температура устройства после транспортирования (хранения) отличается от температуры
среды, при которой предполагается его эксплуатация, то перед подключением к электрической сети
выдержите устройство в условиях предполагаемой эксплуатации в течение двух часов (т.к. на
элементах устройства возможна конденсация влаги).
Для чистки устройства не используйте абразивные материалы или органические соединения
(спирт, бензин, растворители и т.д.).
ЗАПРЕЩАЕТСЯ САМОСТОЯТЕЛЬНО ОТКРЫВАТЬ И РЕМОНТИРОВАТЬ УСТРОЙСТВО.
Компоненты устройства могут находиться под напряжением сети.
ЗАПРЕЩАЕТСЯ ЭКСПЛУАТАЦИЯ УСТРОЙСТВА С МЕХАНИЧЕСКИМИ ПОВРЕЖДЕНИЯМИ
КОРПУСА.
НЕ ДОПУСКАЕТСЯ ПОПАДАНИЕ ВОДЫ В УСТРОЙСТВО И ЭКСПЛУАТАЦИЯ УСТРОЙСТВА В
УСЛОВИЯХ ВЫСОКОЙ ВЛАЖНОСТИ.
ВНИМАНИЕ! УСТРОЙСТВО НЕ ПРЕДНАЗНАЧЕНО ДЛЯ КОММУТАЦИИ НАГРУЗКИ ПРИ
КОРОТКИХ ЗАМЫКАНИЯХ. ПОЭТОМУ УСТРОЙСТВО ДОЛЖНО ЭКСПЛУАТИРОВАТЬСЯ В
СЕТИ, ЗАЩИЩЕННОЙ АВТОМАТИЧЕСКИМ ВЫКЛЮЧАТЕЛЕМ (ПРЕДОХРАНИТЕЛЕМ) С ТОКОМ
ОТКЛЮЧЕНИЯ НЕ БОЛЕЕ 16 А КЛАССА В.
При соблюдении правил эксплуатации устройство безопасно для использования.
ВВЕДЕНИЕ
Настоящее Руководство по эксплуатации предназначено для ознакомления с устройством,
принципом действия, конструкцией, порядком эксплуатации и обслуживания Программируемого
многофункционального таймера REV-303 (в дальнейшем по тексту «таймер», «REV-303» или «таймер
REV-303
»).
Термины и сокращения:
Дисплей – графический дисплей 128х64 точек;
По умолчанию – предустановленные значения параметров, которые таймер использует в
своей работе, пока пользователь не изменил эти значения явным образом;
РВ – Реальное время;
ВС – Восход солнца;
ЗС – Заход солнца;
ОЗУ – Оперативное запоминающее устройство.
1 НАЗНАЧЕНИЕ
Таймер REV-303 является микропроцессорным устройством, предназначенным для управления
нагрузкой в зависимости от реального времени без необходимости постоянного обслуживания, с
минимальными затратами и максимальным сбережением электроэнергии.
Таймер REV-303 может использоваться для автоматизации включения обогревательных
приборов, насосов, вентиляторов, подачи школьных звонков, уличного освещения, подсветки фасадов
зданий (прилегающих территорий, стоянок и других объектов).
В таймере REV-303 автоматически вычисляется время восхода и заката солнца на основе
введенных координат и текущего времени, позволяя управлять освещением без использования
внешних датчиков.
Особенности таймера REV-303:
две программы управления с возможностью быстрого переключения между ними;
четыре режима работы таймера (астрономический, недельный, суточный и простой);
календарь с резервом хода на 6 лет при отсутствии внешнего питания;
точность планируемых событий 1 секунда и 0,1 секунда в режиме простого таймера;
общая внутренняя память на 500 независимых событий, распределяемых между
программами;
возможность автоматического перехода на летнее время;
светодиодный графический дисплей;
индикация текущего состояния контактов реле;
управление таймером с помощью 4-х кнопок, расположенных на лицевой панели;
возможность установки пароля на вход в меню настроек;
питание таймера от сети 24 — 265 В 50/60 Гц или от источника постоянного тока 8-24 В.
(скачивание инструкции бесплатно)
Формат файла: PDF
Доступность: Бесплатно как и все руководства на сайте. Без регистрации и SMS.
Дополнительно: Чтение инструкции онлайн
ООО «НОВАТЕК-ЭЛЕКТРО»
интеллектуальная промышленная электроника
ПРОГРАММИРУЕМЫЙ
МНОГОФУНКЦИОНАЛЬНЫЙ ТАЙМЕР
REV
– 303
РУКОВОДСТВО ПО ЭКСПЛУАТАЦИИ
ПАСПОРТ
www.novatek-electro.com
Страница:
(1 из 13)
навигация
1
2
3
4
5
6
7
8
9
10
11
12
13
Оглавление инструкции
- Страница 1 из 14
ООО «НОВАТЕК-ЭЛЕКТРО» интеллектуальная промышленная электроника ПРОГРАММИРУЕМЫЙ МНОГОФУНКЦИОНАЛЬНЫЙ ТАЙМЕР REV – 303 РУКОВОДСТВО ПО ЭКСПЛУАТАЦИИ ПАСПОРТ www.novatek-electro.com - Страница 2 из 14
~2~ ПРЕДОСТЕРЕЖЕНИЯ Перед использованием устройства внимательно ознакомьтесь с Руководством по эксплуатации. Если температура устройства после транспортирования (хранения) отличается от температуры среды, при которой предполагается его эксплуатация, то перед подключением к электрической сети - Страница 3 из 14
~3~ 2 ТЕХНИЧЕСКИЕ ХАРАКТЕРИСТИКИ И УСЛОВИЯ ЭКСПЛУАТАЦИИ 2.1 Основные технические характеристики Основные технические характеристики REV-303 указаны в таблице 2.1. Таблица 2.1 – Основные технические характеристики Название Напряжение питания от сети ( / ), В Частота питающей сети, Гц Потребляемая - Страница 4 из 14
~4~ — электрический ресурс 4 А 24 В DC, раз, не менее — электрический ресурс 4 А 250 В АС (cosφ = 0,4), раз, не менее 60 000 100 000 3 УСТРОЙСТВО И ПРИНЦИП ДЕЙСТВИЯ 3.1 Устройство 3.1.1 Конструкция Таймер конструктивно выполнен в пластмассовом корпусе, предназначенном для крепления на DIN-рейку 35 - Страница 5 из 14
~5~ 3.2.1 Принцип действия таймера основан на включении/выключении реле нагрузки по одной из заданных пользователем программ Пх (х – номер программы от 1 до 2), которые настраиваются отдельно. Каждая программа Пх может быть настроена на один из режимов работы: Астрономический; Недельный; - Страница 6 из 14
~6~ Рисунок 3.4 – Включение нагрузки на примере недельного режима работы 3.2.4 Суточный режим работы В качестве события пользователь задает состояние реле нагрузки (включено или выключено) и время (от 00:00:00 до 23:59:59). Время события сравнивается с внутренними часами реального времени, и если - Страница 7 из 14
~7~ Рисунок 3.6 – Включение нагрузки на примере простого режима работы 4 ТЕХНИЧЕСКОЕ ОБСЛУЖИВАНИЕ И МЕРЫ БЕЗОПАСНОСТИ 4.1 Меры безопасности 4.1.1 В REV-303 ИСПОЛЬЗУЕТСЯ ОПАСНОЕ ДЛЯ ЖИЗНИ НАПРЯЖЕНИЕ. ПРИ УСТРАНЕНИИ НЕИСПРАВНОСТЕЙ, ТЕХНИЧЕСКОМ ОБСЛУЖИВАНИИ, МОНТАЖНЫХ РАБОТАХ НЕОБХОДИМО ОТКЛЮЧИТЬ - Страница 8 из 14
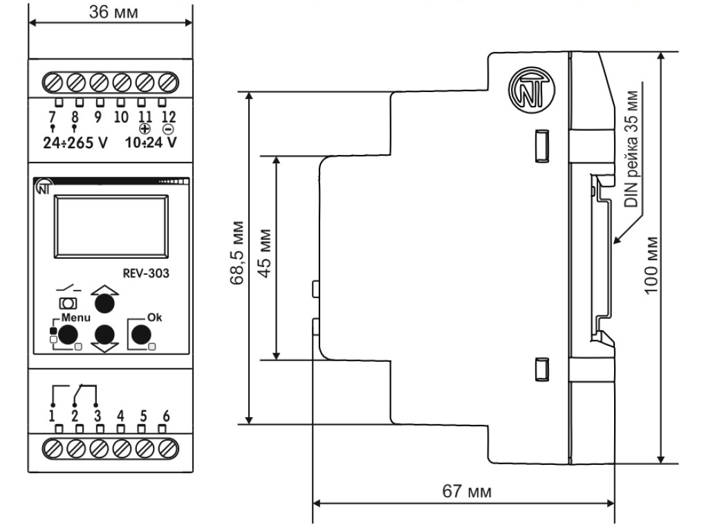
~8~ 1,2 – нормально разомкнутый контакт; 2,3 – нормально замкнутый контакт; 4,5,6 – не используется; 7 – клемма питания ~ 24 ÷ 265 В (Фаза); 8 – клемма питания ~ 24 ÷ 265 В (Ноль); 9,10 – не используется; 11 – клемма питания плюс 8 ÷ 24 В; 12 – клемма питания минус 8 ÷ 24 В; Примечания 1 – - Страница 9 из 14
~9~ Режим недельный Режим суточный – часы; – часы; Режим простой – секундомер. Если в таймере отсутствуют события, программа отключена пользователем или программа завершила свой цикл, посередине слева отображается пиктограмма – замок. Внизу по всей длине дисплея отображается суточный - Страница 10 из 14
~ 10 ~ 1 – название корневого пункта меню; 2 – курсор выделения текущего подпункта меню; 3 – названия подпунктов меню; 4 – номер выделенного подпункта меню; 5 – общее количество подпунктов меню в текущей группе; 6 – индикатор положения курсора выделения. Рисунок 6.5 – Экран меню настроек таймера - Страница 11 из 14
~ 11 ~ o Сост. событий – позволяет посмотреть количество созданных событий во всех программах, максимально допустимое количество событий и ресурс износа памяти, на которую сохраняются события; o Версия ПО – позволяет посмотреть текущую версию программного обеспечения таймера; o Устройство – - Страница 12 из 14
~ 12 ~ 6.5.3 Удаление события из списка Для удаления события из списка необходимо: находясь в одном из списков событий, кнопками ▲ (вверх) или ▼ (вниз) выбрать событие, которое необходимо удалить, нажать кнопку Ок, при этом на дисплее таймера отобразится всплывающее меню. Кнопками ▲ (вверх) или ▼ - Страница 13 из 14
~ 13 ~ Приложение А (рекомендуемое) Структура меню таймера REV-303 NOVATEK-ELECTRO РЭВ-303 - Страница 14 из 14

ООО «НОВАТЕК-ЭЛЕКТРО»
интеллектуальная промышленная электроника
ПРОГРАММИРУЕМЫЙ МНОГОФУНКЦИОНАЛЬНЫЙ ТАЙМЕР
REV – 303
РУКОВОДСТВО ПО ЭКСПЛУАТАЦИИ ПАСПОРТ
www.novatek-electro.com

~ 2 ~
ПРЕДОСТЕРЕЖЕНИЯ
Перед использованием устройства внимательно ознакомьтесь с Руководством по эксплуатации. Если температура устройства после транспортирования (хранения) отличается от температуры
среды, при которой предполагается его эксплуатация, то перед подключением к электрической сети выдержите устройство в условиях предполагаемой эксплуатации в течение двух часов (т.к. на элементах устройства возможна конденсация влаги).
Для чистки устройства не используйте абразивные материалы или органические соединения (спирт, бензин, растворители и т.д.).
ЗАПРЕЩАЕТСЯ САМОСТОЯТЕЛЬНО ОТКРЫВАТЬ И РЕМОНТИРОВАТЬ УСТРОЙСТВО. Компоненты устройства могут находиться под напряжением сети.
ЗАПРЕЩАЕТСЯ ЭКСПЛУАТАЦИЯ УСТРОЙСТВА С МЕХАНИЧЕСКИМИ ПОВРЕЖДЕНИЯМИ КОРПУСА.
НЕ ДОПУСКАЕТСЯ ПОПАДАНИЕ ВОДЫ В УСТРОЙСТВО И ЭКСПЛУАТАЦИЯ УСТРОЙСТВА В УСЛОВИЯХ ВЫСОКОЙ ВЛАЖНОСТИ.
ВНИМАНИЕ! УСТРОЙСТВО НЕ ПРЕДНАЗНАЧЕНО ДЛЯ КОММУТАЦИИ НАГРУЗКИ ПРИ КОРОТКИХ ЗАМЫКАНИЯХ. ПОЭТОМУ УСТРОЙСТВО ДОЛЖНО ЭКСПЛУАТИРОВАТЬСЯ В СЕТИ, ЗАЩИЩЕННОЙ АВТОМАТИЧЕСКИМ ВЫКЛЮЧАТЕЛЕМ (ПРЕДОХРАНИТЕЛЕМ) С ТОКОМ
ОТКЛЮЧЕНИЯ НЕ БОЛЕЕ 16 А КЛАССА В.
При соблюдении правил эксплуатации устройство безопасно для использования.
ВВЕДЕНИЕ
Настоящее Руководство по эксплуатации предназначено для ознакомления с устройством, принципом действия, конструкцией, порядком эксплуатации и обслуживания Программируемого многофункционального таймера REV-303 (в дальнейшем по тексту «таймер», «REV-303» или «таймер
REV-303»).
Термины и сокращения:
Дисплей – графический дисплей 128х64 точек;
По умолчанию – предустановленные значения параметров, которые таймер использует в своей работе, пока пользователь не изменил эти значения явным образом;
РВ – Реальное время;
ВС – Восход солнца;
ЗС – Заход солнца;
ОЗУ – Оперативное запоминающее устройство.
1 НАЗНАЧЕНИЕ
Таймер REV-303 является микропроцессорным устройством, предназначенным для управления нагрузкой в зависимости от реального времени без необходимости постоянного обслуживания, с минимальными затратами и максимальным сбережением электроэнергии.
Таймер REV-303 может использоваться для автоматизации включения обогревательных приборов, насосов, вентиляторов, подачи школьных звонков, уличного освещения, подсветки фасадов зданий (прилегающих территорий, стоянок и других объектов).
В таймере REV-303 автоматически вычисляется время восхода и заката солнца на основе введенных координат и текущего времени, позволяя управлять освещением без использования внешних датчиков.
Особенности таймера REV-303:
две программы управления с возможностью быстрого переключения между ними;
четыре режима работы таймера (астрономический, недельный, суточный и простой);
календарь с резервом хода на 6 лет при отсутствии внешнего питания;
точность планируемых событий 1 секунда и 0,1 секунда в режиме простого таймера;
общая внутренняя память на 500 независимых событий, распределяемых между программами;
возможность автоматического перехода на летнее время;
светодиодный графический дисплей;
индикация текущего состояния контактов реле;
управление таймером с помощью 4-х кнопок, расположенных на лицевой панели;
возможность установки пароля на вход в меню настроек;
питание таймера от сети 24 — 265 В 50/60 Гц или от источника постоянного тока 8-24 В.

~ 3 ~
2 ТЕХНИЧЕСКИЕ ХАРАКТЕРИСТИКИ И УСЛОВИЯ ЭКСПЛУАТАЦИИ
2.1 Основные технические характеристики
Основные технические характеристики REV-303 указаны в таблице 2.1.
Таблица 2.1 – Основные технические характеристики
|
Название |
Значение |
|
|
Напряжение питания от сети ( / ), В |
24 – 265 |
|
|
Частота питающей сети, Гц |
45 – 65 |
|
|
Потребляемая мощность (от сети ~230 В), Вт, не более |
1,5 |
|
|
Напряжение питания источника постоянного тока ( ), В |
8 – 24 |
|
|
Потребляемая мощность (от источника питания +12 В), Вт, не более |
0,6 |
|
|
Точность планируемых событий, с |
1 и 0,1* |
|
|
Максимальное количество планируемых событий |
500 |
|
|
Резерв хода часов при отключенном напряжении питания |
6 |
|
|
(при температуре 25 ºС), лет |
||
|
Погрешность хода часов, при температуре 25 ºС, не хуже, с / сутки |
1 |
|
|
Минимальное время коммутации контактов, с |
0,015 |
|
|
Индикация срабатывания реле нагрузки |
есть |
|
|
Сохранение настроек при пропадании сетевого и резервного питания |
есть |
|
|
Память данных, лет, не менее |
10 |
|
|
Число и вид контактов, 16 А |
1 перекидной |
|
|
Масса, кг, не более |
0,2 |
|
|
Габаритные размеры, мм |
100 х 36 х 67 |
|
|
Назначение устройства |
Аппаратура управления и |
|
|
распределения |
||
|
Номинальный режим работы |
продолжительный |
|
|
Степень защиты устройства (лицевая панель / клеммник) |
ІР40 / IP20 |
|
|
Класс защиты от поражения электрическим током |
II |
|
|
Климатическое исполнение |
УХЛ3.1 |
|
|
Допустимая степень загрязнения |
II |
|
|
Категория перенапряжения |
II |
|
|
Номинальное напряжение изоляции, В |
450 |
|
|
Номинальное импульсное выдерживаемое напряжение, кВ |
2,5 |
|
|
Сечение проводников для подключения к клеммам, мм² |
0,2 – 2,5 |
|
|
Момент затяжки винтов клемм, Н*м |
0,4 |
|
|
Монтаж предусмотрен на стандартную DIN-рейку 35 мм |
||
|
Положение в пространстве произвольное |
||
|
—— |
||
|
* Точность планируемых событий 0,1 с доступна только для простого режима работы таймера; |
Вредные вещества в количестве, превышающем предельно допустимые концентрации, отсутствуют.
2.2 Условия эксплуатации
Таймер REV-303 предназначен для эксплуатации в следующих условиях:
Температура окружающей среды от минус 30 до +55 ºС;
Атмосферное давление от 84 до 106,7 кПа;
Относительная влажность воздуха (при температуре +25 ºС) 30 … 80%. Таймер REV-303 не предназначен для эксплуатации в условиях вибрации и ударов.
2.3Характеристики выходных контактов REV-303
Характеристики выходных контактов REV-303 представлены в таблице 2.2
Таблица 2.2 – Характеристики выходных контактов
|
Макс. ток при |
Макс. мощн. |
Макс. ток при |
||
|
U~ = 250 В |
Uпост = 24 В |
|||
|
cosφ = 0,4 |
4 А |
1000 ВА |
4 А |
|
|
cosφ = 1 |
16 А |
4000 ВА |
||
|
Коммутационный ресурс выходных контактов |
||||
|
— механический ресурс |
10 000 000 |
|||
|
— электрический ресурс 16 А 250 В АС, раз, не менее |
100 000 |

~ 4 ~
|
— электрический ресурс 4 |
А 24 В DC, раз, не менее |
60 000 |
|
— электрический ресурс 4 |
А 250 В АС (cosφ = 0,4), раз, не менее |
100 000 |
3 УСТРОЙСТВО И ПРИНЦИП ДЕЙСТВИЯ
3.1 Устройство 3.1.1 Конструкция
Таймер конструктивно выполнен в пластмассовом корпусе, предназначенном для крепления на DIN-рейку 35 мм, размеры корпуса (100 мм х 36 мм х 67 мм) 2 модуля типа S. Корпус выполнен из ударопрочного, самозатухающего пластика. Эскиз корпуса с габаритными и установочными размерами приведен на рисунке 3.1. Возможна модификация корпуса с установленной полупрозрачной крышкой, позволяющей опломбировать лицевую панель (доступно только под заказ).
Рисунок 3.1 – Внешний вид и габаритные размеры таймера
3.1.2 Индикация и управление
На рисунке 3.2 приведен внешний вид лицевой панели таймера.
1 – Дисплей; 2 – Кнопка ▲ (вверх), используется для перемещения по пунктам меню
вверх или увеличения значения параметра; 3 – Светодиодный индикатор 
контактов таймера (горит – когда контакты 1,2 замкнуты, не горит – когда замкнуты контакты 2,3);
4 – Кнопка Menu, используется для входа (выхода) в (из) меню настройки или отмены ввода параметра;
5 – Кнопка ▼ (вниз), используется для перемещения по пунктам меню вниз или уменьшения значения параметра;
6 – Кнопка Ок, используется для подтверждения действия или сохранения измененного значения параметра.
Рисунок 3.2 – Лицевая панель таймера При помощи кнопок выполняются все настройки параметров работы таймера. Текущее время и
состояние таймера отображаются на дисплее, а состояние выходных контактов отображается с помощью светодиодного индикатора.
3.1.3 Часы реального времени
Таймер оснащен встроенными часами реального времени, питание которых осуществляется (в случае отключения основного питания) от встроенного элемента резервного питания – литиевой батареи.
Внимание – Перед использованием таймера необходимо установить точную дату и время.
3.2 Принцип действия

НАЗНАЧЕНИЕ
Программируемый многофункциональный таймер РЭВ-303 (далее устройство) предназначен для коммутации электрических цепей с предварительно настроенными выдержкой времени и алгоритмом работы с привязкой к реальному времени (астрономический таймер). Устройство автоматически вычисляет время восхода и заката солнца на основе введенных координат и текущего времени, позволяя управлять освещением без использования внешних датчиков.
ПРИНЦИП РАБОТЫ УСТРОЙСТВА
Устройство управляет нагрузкой по одной из заданных пользователем программ Пх (х – номер программы от 1 до 2), которые настраиваются отдельно. РЭВ-303 оснащено встроенными часами реального времени, питание которых осуществляется (в случае отключения основного питания) от встроенного элемента резервного питания – литиевой батареи.
Каждая программа Пх может быть настроена на один из режимов работы:
- Астрономический режим работы — в качестве события пользователь задает состояние реле нагрузки (включено или выключено) и смещение времени относительно восхода или заката солнца (от -23:59 до +23:59).
Ежедневно таймер рассчитывает реальное время восхода и заката солнца, суммирует это время со временем события, затем полученное время сравнивается с часами реального времени. Если полученное значение больше или равно реальному времени – таймер переключит реле нагрузки в состояние, указанное в событии.
Вышеописанный алгоритм выполняется для каждого заданного пользователем события. При этом если событий больше 1, сработает только то событие, которое соответствует часам реального времени, остальные события выполняться не будут.
На широтах, где наступил полярный день, события, связанные с заходом солнца, выполняться не будут, а время восхода солнца принимается равным 00:00.
На широтах, где наступила полярная ночь, события, связанные с восходом солнца, выполняться не будут, а время захода солнца принимается равным 00:00. - Недельный режим работы — в качестве события пользователь задает состояние реле нагрузки (включено или выключено), день недели (с понедельника по пятницу) и время (от 00:00:00 до 23:59:59).
День недели и время события сравниваются с внутренними часами реального времени. Если они равны или время события больше реального времени – таймер переключит реле нагрузки в состояние, указанное в событии.
Вышеописанный алгоритм выполняется для каждого заданного пользователем события. При этом если событий больше 1, сработает только то событие, которое соответствует часам реального времени, остальные события выполняться не будут. - Суточный режим работы — в качестве события пользователь задает состояние реле нагрузки (включено или выключено) и время (от 00:00:00 до 23:59:59).
Время события сравнивается с внутренними часами реального времени. Если они равны или время события больше реального времени – таймер переключит реле нагрузки в состояние, указанное в событии.
Вышеописанный алгоритм выполняется для каждого заданного пользователем события. При этом если событий больше 1, сработает только то событие, которое соответствует часам реального времени, остальные события выполняться не будут. - Простой режим работы — в качестве события пользователь задает состояние реле нагрузки (включено или выключено) и время (от 00:00:00:0 до 23:59:59:9).
Время события сравнивается с внутренним счетчиком, который начинает считать с момента подачи питания на таймер. Если они равны или время события больше внутреннего счетчика – таймер переключит реле нагрузки в состояние, указанное в событии.
Вышеописанный алгоритм выполняется для каждого заданного пользователем события. При этом если событий больше 1, сработает только то событие, которое соответствует внутреннему счетчику, остальные события выполняться не будут.

ОСНОВНЫЕ ОСОБЕННОСТИ
- 4 режима (алгоритмов) работы реле времени;
- Светодиодный графический дисплей 128х64 точек;
- Календарь с резервом хода на 6 лет при отсутствии внешнего питания;
- Индикатор состояния Устройства и встроенного реле;
- Общая внутренняя память на 500 независимых событий, распределяемых между программами;
- возможность установки пароля на вход в меню настроек;
- 1 переключающая группа контактов 16А/AC230В.
КОНСТРУКЦИЯ УСТРОЙСТВА
Устройство выпускается в унифицированном пластмассовом корпусе с передним присоединением проводов питания и коммутируемых электрических цепей. Крепление осуществляется на монтажную DIN-рейку шириной 35мм (ГОСТ Р МЭК 60715-2003). Конструкция клемм обеспечивает надёжный зажим проводов питания сечением до 2.5 мм2
СХЕМА ПОДКЛЮЧЕНИЯ

ГАБАРИТНЫЕ РАЗМЕРЫ
Дополнительную информацию о параметрах и режимах работы устройства Вы можете найти в паспорте изделия (вкладка «файлы»)
Напряжение питания
Переменное/Постоянное
Напряжение питания AC (переменное)
24-265В
Напряжение питания DC (постоянное)
10-24В
Частота напряжения питания (АС)
45 — 65
Гц
Максимальное напряжение питания
265В
В
Верхний порог отключения нагрузки
регулируемый (94-420В)
Нижний порог отключения нагрузки
регулируемый (90-416В)
Номинальная мощность нагрузки (AC230В)
3680 Вт
Номинальный ток нагрузки
16А
Тип контактной группы
2 CO
Гистерезис срабатывания
2%
Диапазон рабочих температур
-20…+55°С
Относительная влажность воздуха
до 70% (при 25°С)
Сечение подключаемых проводников
0,5-2,0
кв.мм.
Степень защиты реле по корпусу / по клеммам по ГОСТ 14254-96
IP20/IP20
Тип реле времени
Многофункциональное
Габаритные размеры (ШхВхГ)
100x36x67
Гарантия производителя
10 лет
Страна происхождения
Россия
Найти похожие
Инструкция (Паспорт_РЭВ-303.pdf, 1,345 Kb) [Скачать]

НАЗНАЧЕНИЕ
Программируемый многофункциональный таймер РЭВ-303 (далее устройство) предназначен для коммутации электрических цепей с предварительно настроенными выдержкой времени и алгоритмом работы с привязкой к реальному времени (астрономический таймер). Устройство автоматически вычисляет время восхода и заката солнца на основе введенных координат и текущего времени, позволяя управлять освещением без использования внешних датчиков.
ПРИНЦИП РАБОТЫ УСТРОЙСТВА
Устройство управляет нагрузкой по одной из заданных пользователем программ Пх (х – номер программы от 1 до 2), которые настраиваются отдельно. РЭВ-303 оснащено встроенными часами реального времени, питание которых осуществляется (в случае отключения основного питания) от встроенного элемента резервного питания – литиевой батареи.
Каждая программа Пх может быть настроена на один из режимов работы:
- Астрономический режим работы — в качестве события пользователь задает состояние реле нагрузки (включено или выключено) и смещение времени относительно восхода или заката солнца (от -23:59 до +23:59).
Ежедневно таймер рассчитывает реальное время восхода и заката солнца, суммирует это время со временем события, затем полученное время сравнивается с часами реального времени. Если полученное значение больше или равно реальному времени – таймер переключит реле нагрузки в состояние, указанное в событии.
Вышеописанный алгоритм выполняется для каждого заданного пользователем события. При этом если событий больше 1, сработает только то событие, которое соответствует часам реального времени, остальные события выполняться не будут.
На широтах, где наступил полярный день, события, связанные с заходом солнца, выполняться не будут, а время восхода солнца принимается равным 00:00.
На широтах, где наступила полярная ночь, события, связанные с восходом солнца, выполняться не будут, а время захода солнца принимается равным 00:00. - Недельный режим работы — в качестве события пользователь задает состояние реле нагрузки (включено или выключено), день недели (с понедельника по пятницу) и время (от 00:00:00 до 23:59:59).
День недели и время события сравниваются с внутренними часами реального времени. Если они равны или время события больше реального времени – таймер переключит реле нагрузки в состояние, указанное в событии.
Вышеописанный алгоритм выполняется для каждого заданного пользователем события. При этом если событий больше 1, сработает только то событие, которое соответствует часам реального времени, остальные события выполняться не будут. - Суточный режим работы — в качестве события пользователь задает состояние реле нагрузки (включено или выключено) и время (от 00:00:00 до 23:59:59).
Время события сравнивается с внутренними часами реального времени. Если они равны или время события больше реального времени – таймер переключит реле нагрузки в состояние, указанное в событии.
Вышеописанный алгоритм выполняется для каждого заданного пользователем события. При этом если событий больше 1, сработает только то событие, которое соответствует часам реального времени, остальные события выполняться не будут. - Простой режим работы — в качестве события пользователь задает состояние реле нагрузки (включено или выключено) и время (от 00:00:00:0 до 23:59:59:9).
Время события сравнивается с внутренним счетчиком, который начинает считать с момента подачи питания на таймер. Если они равны или время события больше внутреннего счетчика – таймер переключит реле нагрузки в состояние, указанное в событии.
Вышеописанный алгоритм выполняется для каждого заданного пользователем события. При этом если событий больше 1, сработает только то событие, которое соответствует внутреннему счетчику, остальные события выполняться не будут.

ОСНОВНЫЕ ОСОБЕННОСТИ
- 4 режима (алгоритмов) работы реле времени;
- Светодиодный графический дисплей 128х64 точек;
- Календарь с резервом хода на 6 лет при отсутствии внешнего питания;
- Индикатор состояния Устройства и встроенного реле;
- Общая внутренняя память на 500 независимых событий, распределяемых между программами;
- возможность установки пароля на вход в меню настроек;
- 1 переключающая группа контактов 16А/AC230В.
КОНСТРУКЦИЯ УСТРОЙСТВА
Устройство выпускается в унифицированном пластмассовом корпусе с передним присоединением проводов питания и коммутируемых электрических цепей. Крепление осуществляется на монтажную DIN-рейку шириной 35мм (ГОСТ Р МЭК 60715-2003). Конструкция клемм обеспечивает надёжный зажим проводов питания сечением до 2.5 мм2
СХЕМА ПОДКЛЮЧЕНИЯ

ГАБАРИТНЫЕ РАЗМЕРЫ
Дополнительную информацию о параметрах и режимах работы устройства Вы можете найти в паспорте изделия (вкладка «файлы»)
Напряжение питания
Переменное/Постоянное
Напряжение питания AC (переменное)
24-265В
Напряжение питания DC (постоянное)
10-24В
Частота напряжения питания (АС)
45 — 65
Гц
Максимальное напряжение питания
265В
В
Верхний порог отключения нагрузки
регулируемый (94-420В)
Нижний порог отключения нагрузки
регулируемый (90-416В)
Номинальная мощность нагрузки (AC230В)
3680 Вт
Номинальный ток нагрузки
16А
Тип контактной группы
2 CO
Гистерезис срабатывания
2%
Диапазон рабочих температур
-20…+55°С
Относительная влажность воздуха
до 70% (при 25°С)
Сечение подключаемых проводников
0,5-2,0
кв.мм.
Степень защиты реле по корпусу / по клеммам по ГОСТ 14254-96
IP20/IP20
Тип реле времени
Многофункциональное
Габаритные размеры (ШхВхГ)
100x36x67
Гарантия производителя
10 лет
Страна происхождения
Россия
Найти похожие
Инструкция (Паспорт_РЭВ-303.pdf, 1,345 Kb) [Скачать]

Программируемые реле времени НоваТек РЭВ-302 и РЭВ-303
Давно я собирался рассказать про эти реле времени! Вон, ещё с тех пор, как собирал на РЭВ-302 щит одному парню для небольшого коттеджа — ещё с 2016 года. Я хотел собрать сразу два реле разом и сделать про них общий пост, потому что РЭВ-302 и РЭВ-303 очень похожи, но у меня не попадалось двух проектов, из которых можно было временно стащить оба реле на пост. В конце прошлого года я плюнул, купил себе эти два реле (будут как резервные на случай подмены) — и наконец-то делаю про них пост!
Что это за реле такие и чем они удобны? Это — программируемые реле времени, которые могут включать и выключать нагрузки по разным временным программам. Таких реле навалом — начиная от простых с язычками (ABB AT-x) и кончая реле с меню, кнопками и прочими штуками (например, ABB D2 — они еле-еле видны на фотках этого щита). В большинстве случаев производители делают реле в пределах одной модели только какого-то одного типа: суточные, недельные, астрономические. А вот НоваТек сделали универсальные реле, которые покрывают большинство задач одним изделием. И в этом плане они молодцы!
По своему принципу действия оба реле похожи: мы можем создать несколько программ (наборов настроек реле и событий), по которым реле будет работать. В программах мы указываем режим работы реле (суточное, годовое, астрономическое и так далее), задаём события (когда что включить, когда что выключить) — и запускаем в работу.
Реле РЭВ-302 очень навороченное: оно имеет датчик освещённости, который можно внести в логику работы любой программы (например, если освещённость низкая — сразу включать нагрузку, а если высокая — то работать как астрономическое реле), имеет два выходных реле и ещё умеет удобно настраиваться через USB-шнурок программой на компьютере.
Реле РЭВ-303 — это более простое реле, чем РЭВ-302: всего один выходной канал, без датчика освещённости, без настройки с компа. Зато и стоит дешевле, а заодно имеет модный OLED-экранчик (про выгорание OLED я упомяну в посте).
Применять эти реле можно, если вам надо заставить включаться какую-то нагрузку по заданным программам: поставил реле, запитал нагрузку через контактор — и пользуйся. Конечно же можно включать рекламу (как в магазине АБТ) или вечернюю подсветку дачного дома. А ещё я применяю эти реле в щитах с ПЛК, если у ПЛК нет внешнего интерфейса для настройки даты-времени, а он должен что-то по этому времени делать. Вместо того, чтобы городить ПЛК с визуализацией или ставить панель оператора — я ставлю простое РЭВ-302, где пользователь может сам себе настроить режим «Ночь», как было в щите в Монэ.
Сейчас я расскажу про всё это подробно!
1. Реле времени НоваТек РЭВ-302.
Начинаем со сложного реле РЭВ-302! Если мы с ним разберёмся, то потом легко разберёмся и с РЭВ-303, более простым!
Может оно вот что:
- Умеет питаться от двух источников: сетевого 230V и низковольтного до 30 вольт (12-24V), что охрененно для всякой промавтоматики: хочешь питай от сети, а хочешь — от +24V DC, которое характерно в щитах с ПЛК.
- Имеет до 8 штук программ (наборов настроек реле), каждая из которых может состоять из режимов работы «Годовое реле», «Астрономическое реле» (восходы и закаты солнца), «Месячное реле», «Недельное реле», «Суточное реле».
- В каждой программе можно разрешить работу дополнительных условий по реле напряжения или фотореле (датчику освещённости).
- Есть два канала (реле). Каждый из каналов может работать по одной из восьми программ (назначаем каналу свою программу для работы). Задумка тут в том, чтобы можно было легко сменить настройки работы канала, а не перенабивать огромные списки событий срабатываний заново (в ситуации «поменяли — вернули как было»).
- Всё можно настроить с компьютера (есть программа-конфигуратор под Windows) через USB-шнурок. Если не хочется — то эти же настройки доступны через меню на самом реле, но там иногда надо будет очень много тыкать на кнопки =)
А вот минус этого реле, на мой вкус, один — нет режима ручного тестирования каналов (в ABBшных D1/D2 эти режимы есть, зато нет такой кучи фич и удобства настроек через комп). Из-за этого тестировать щиты на таких реле сложно, хотя тут всё снова решается прошивкой и НоваТек могли бы и дописать это в неё. Надо будет их пнуть.
Реле поставляется в комплекте с фотодатчиком и USB-шнуром.

Комплект реле времени НоваТек РЭВ-302 (реле, датчик освещённости и USB-шнурок)
По поводу шнура у меня тоже есть вопросы: тут используется mini-USB, и НоваТек покупает стандартный шнур в 1,5 метра, упаковка которого занимает дофига места в коробочке. Может быть стоит найти шнурок покороче? Когда я буду писать про ПРки от ОВЕНа, то вы увидите, что там поставляется шнурок в полметра длиной. Его хватает для всех задач. А коробка занимает меньше места ведь…
Фотодатчик тут сделан в корпусе от индикаторной лампочки (возможно, это заводской датчик из Китая, который используют и другие производители — я не в курсе), внутри которой стоит фоторезистор.

Датчик освещённости из комплекта реле РЭВ-302 (фоторезистор)
Вроде как датчик описывается как влагозащищённый, но по внешнему виду мне кажется, что это ни фига не так. Поэтому если вы будете его монтировать на улице, то установите его в какую-нибудь распаечную коробку таким образом, чтобы наружу смотрел только глазок, а выводы вместе с крепёжной гайкой были внутри влагозащищённой коробки. Провод от датчика можно удлинить, но без фанатизма.
Это реле занимает 3 DIN-модуля в щите. Сверху у нас расположены клеммы для подключения обоих видов питаний и фотодатчика. Если фотодатчик вам не нужен — просто не подключайте его. Ошибки реле это не вызовет.

Верхние контакт реле РЭВ-302 (подключение питания и фотодатчика)
Ну а снизу у нас находятся переключающие контакты от двух встроенных реле — первого и второго канала. Так что, если кто забыл, на выходе у нас тут сухой контакт!

Нижние контакты реле РЭВ-302 (выходы встроенных реле)
Загляну я во внутренности реле (мне было интересно, чего там понапихано и на каком процессоре это реле сделано).
Тут у нас стандартные для НоваТека две платы (силовая и процессорная), соединённые на штыревых разъёмах:

Внутренности реле РЭВ-302 (собрано на нескольких платах вместе)
Разделим платы на половинки! Ооо! Да тут прям полная инженерия! Монтаж очень плотный и красивый!

Верхняя и нижняя платы реле РЭВ-302 (силовая и процессорная части)
На силовой плате на всех входах питания понаставлено предохранителей. Круто! Блок питания — импульсный с трансформатором. На входе по 230V стоит варистор.

Куча предохранителей на плате силовой части (по вводам питания)
Претензий к качеству монтажа у меня нет — мне всё нравится. Если кто-то увидел косяки электроники — то напишите нам в комментарии.
То, что мне не нравится — это то, как сделана разводка платы около силовых реле. Реле тут стоят на 16А, а вот дорожки вокруг них не усилены (в РЭВ-303 — усилены слоем припоя). И ещё хорошо бы сделать так, как сделано в РЭВ-303: профрезеровать защитные промежутки между дорожками реле, чтобы их не прошило по поверхности платы.

Плата силовой части сзади (хорошо бы сделать фрезеровку для дорожек реле и усилить их)
На процессорной плате сверху стоят кнопки управления и LCD-индикатор (одна из причин, по которой я разбирал эти реле — это разобраться, где какие индикаторы используются и парится ли НоваТек про то, что LCD замёрзнет при низких температурах в щите с реле).

Процессорная плата РЭВ-302 сверху (LCD-экранчик и кнопки управления реле)
Против LCD-индикатора я ничего не имею и даже рад ему: можно и рисовать меню красиво, и всякие значки выводить. А тут у индикатора ещё и подсветка разных цветов есть (рабочий режим и режим настроек).
То, что мне не нравится — это яркость светодиодов. Прозрачные диоды, которые индицируют срабатывание каналов — синего цвета и очень яркие. Настолько яркие, что пересвечивают всё остальное вокруг. Надо было поставить жёлтые светодиоды и подобрать резисторы так, чтобы их яркость не была выше, чем у зелёного (который показывает то, что питание на реле приходит).
Сама релюха собрана на STM32. Мне это нравится, ща многие наконец-то стали переходить на эти процессоры с ATMega 8.

Процессор управлени реле — STM32F103. Виден кусок аккумулятора для хранения времени часов
Также на фотку попала какая-то перемычка (заводская доработка) и краешек батарейки, которая держит питание часов внутри реле. На ней написано «14250 Li-SOCl2 3,6 V». Это батарейка, которая специально разработана для приборов с долгим сроком службы — аж до 15ти лет. У неё крайне низкий ток саморазряда.
Собираю реле назад и подключаю его к питанию сети и компьютеру!

Подключаем реле РЭВ-302: фотодатчик и USB-кабель в компьютер для настроек
Реле не требует никаких драйверов, потому что определяется как USB HID-устройство:

Реле РЭВ-302 определяется в системе как HID-устройство (это хорошо)
Когда-то давно я таким баловался на АТмеге (в те времена, когда этим баловались все-все). Я помню, что там надо объявить себя как HID-класс, а потом создать некоторые Endpoint — точки, через которые передаются байты данных между твоим устройством и компьютером в буферы. HID — классная штука, если надо сделать простую USB-дёргалку чем-нибудь или быстренько передать данные в устройством, чем НоваТек и воспользовался.
Сама программа-конфигуратор РЭВ-302 работает, но интерфейс у неё сделан через жопу в стиле Win’95:

Общий вид программы настройки реле РЭВ-302
Больше всего я придираюсь к рамкам Frame, которых тут вложено друг в друга пиздец сколько (вы увидите это на других скриншотах дальше по тексту). А самое неприятное — это то, что в дереве слева не сохраняется выделение элемента, когда на нём нет фокуса (как только фокус-выделение уходит с дерева на другой элемент формы, подсветка выделенного элемента в дереве теряется к чертям и непонятно, что ты выбрал).
Надо было просто установить свойство «Always Show Selection» (в разных средах разработки может называться по разному), и выделенный элемент дерева всегда будет подсвечен (на скриншоте ниже фокус находится на кнопке):

Как выглядит дерево со включенным отображением выделенного элемента (фокус находится на кнопке)
Ну и вообще не мешало бы сделать окно кофигуратора с изменением размеров, потому что где-то сейчас есть большие пустые дыры, а где-то места еле-еле хватает. Вроде как это всё написано на .NET — так вот я не думаю, что там нет такой фишки как динамичные контейнеры окна (как были Panel/Bevel в Delphi и аналогичные в других языках).
Первое, куда мы полезем — это в настройку даты-времени реле. Тут всё удобно: нажал кнопку — и время на реле установилось по времени на компе (которое должно быть точным, так как мы получаем его по NTP).

Настройки текущего времени в реле РЭВ-302
Теперь давайте разбираться с тем, что такое эти самые «программы» и как они работают.
Сначала я дико тупил, как это так: программ 8 штук, а каналов реле — всего два. Тупил из-за того, что в голове остаётся инерция мышления, связанная с обычными реле времени, в которых есть только список событий даты и времени включения-выключения реле.
Здесь, как я уже писал, задумка более широкая. Программами тут называются наборы настроек реле — чтобы можно было легко менять логику работы, не портя сами наборы настроек. Для каждого канала реле можно выбрать одну из программ, по которой он и будет работать.

Выбор программы работы реле (одной из созданных)
В РЭВ-303 наверчено знатно! В каждой программе могут быть использованы фотореле, реле напряжения, выходные дни, праздники, вручную указанные даты исключений и все виды логики срабатывания.
Начинаем с простого. Реле напряжения. Не знаю, зачем — но оно тут просто есть. Могу предположить, что так как наше реле времени РЭВ-302 универсальное — то его могут заюзать для питания какой-то промышленной нагрузки (например, какой-нибудь мешалки или рыхлителя, которые должны раз в хх часов/минут перемешивать что-то) и что эту нагрузку можно будет отрубать, если не только время работы кончилось, а ещё и напряжение питания кривое.

Настройки реле напряжения для РЭВ-302
Конечно же есть фотореле. Тут мы указываем порог освещённости и его гистерезис и то, что нам надо делать если освещённости недостаточно, или если освещённости достаточно.

Настройки фотореле для РЭВ-302 (работа по уровню освещённости)
Выбор фич большой. Можно или прокрутить реле до следующего события (например, если надо пропустить событие включения реле вечером, если потемнело раньше) или просто сказать: «Пока света мало — всегда включайся и наплюй на время». Охрененно удобно! Я даже примеры не буду выдумывать, потому что не смогу выдать то, где можно применить все фишки этого реле сразу!
Настройки любого реле времени начинаются с того, что нам надо выбрать тип этого реле (годовое, месячное, и так далее). Также есть куча удобных галок (так же как и в реле напряжения и фотореле), которые позволяют не меняя настроек отрубать некоторые фичи — например вырубить логику работы по праздникам, сохраняя их список.

Выбор режима работы программы реле времени РЭВ-302
В настройке любого типа реле времени есть похожие элементы управления: выбор даты-времени и состояния контактов (включено или выключено). Вы выбираете ими нужные параметры события и при помощи кнопок заносите его в список.

Список событий годового (и других) реле времени в РЭВ-302
Практически во всех списках событий есть кнопка «Создать массив событий». Она сделана для того, чтобы быстренько заполнить список регулярно повторяющимися событиями. Ну, утрированно, для какой-нибудь школы можно быстро накидать события по схеме «Урок 40 минут + перемена 10 минут»:

Создание массива событий годового (или другого) реле внутри РЭВ-302
Заполняем все поля окна и нажимаем на кнопку «Создать список»:

Массив событий годового реле времени, созданный для примера
Для годового реле есть ещё одна кнопка — «Создать список восходов/закатов Солнца».
Тут надо вбить свои географические коррдинаты, выбрать тип восхода или заката — и программа рассчитает и заполнит события.

Создание списка восходов и закатов солнца в настройках РЭВ-302
Прикольно! Когда просто так живёшь или смотришь прогноз погоды — то как-то не обращаешь на то, как прибавляются минутки к солнцу. А тут вуаля — всё наглядно:

Создали список восходов и закатов солнца на весь год
Все настройки остальных видов реле — такие же. В суточном реле у нас есть только поля для ввода времени — и всё:

Список событий суточного реле (аналогичен другим спискам)
Блин! Во мне снова завёлся программист. Вот скажите мне: почему бы не сделать вообще весь список событий не с этими ебучими кнопками, а в виде таблички, у которой можно редактировать колонки по маске? Таких самописных компонентов навалом на CodeProject (да вот хотя бы — с 2000 года лежит!!):

ListView, колонки которого можно редактировать
Тогда вместо грёбаных кликов мышкой по полям мы бы забацали кнопки «Добавить строку», «Удалить строку», «Копировать строку», а пользователь прям в таблице бы набивал бы нужные ему даты/времена/значения. Ну куда мы катимся? Блядь! С 2000 года всё это лежит на глазах! А в 2018-2020 все почему-то бля забыли про такие фишки…
Возвращаемся к нашему конфигуратору. После того, как мы насоздавали наши программы, мы можем выбрать нужную программу для каждого канала:

Выбираем одну из программ для канала реле РЭВ-302
Обратите внимание на то, что в каждом типе реле времени в программе могут быть свои списки событий. Они никуда не теряются, а в работе используется список от выбранного типа реле. Всё это тоже задумано для того, чтобы как можно быстрее менять настройки программ и переключаться между ними.
Ну и после того, как мы всё-всё придумали — заливаем настройки в реле через меню:

Меню для записи или считывания настроек реле РЭВ-302
А для тех, кто хочет сохранить всё, что он насоздавал в конфигураторе, на память — есть меню «Файл»:

Меню для сохранения или загрузки настроек программы-конфигуратора РЭВ-302
В этом случае все настройки читаются или пишутся в файл на компе. Это удобно, если на базе этого реле вы массово выпускаете какую-то автоматику и вам надо будет тиражировать ваше решение: выдали рабочим файл и сказали: «Заливайте в каждое реле»!
Теперь снова вернёмся к нашему реле. После того как мы влили туда настройки, на дисплее реле отображаются режимы работы реле и наших программ:

Аппаратное меню реле РЭВ-302: Отображение реле в режиме работы разных программ
Дисплей перелистывается, показывая текущие дату/время, день недели, напряжение в сети и освещённость с датчика. Для каждой из программ показывается её режим работы, состояние контактов реле и дата и время следующего события.
Все те настройки, которые мы делали (кроме создания массива событий) есть и в меню самого реле. Но вы представьте, сколько всего там надо будет крутить, чтобы добавить наши 700 событий =)

Аппаратное меню реле РЭВ-302: Отображение реле в режиме настроек программ
Поэтому лучше всё же не полениться и настроить реле с компа. Так удобнее, правда!
2. Реле времени НоваТек РЭВ-303.
Реле РЭВ-303 — это реле времени, которое по своей логике (программы и списки событий) похоже на РЭВ-302, но оно сделано гораздо проще:
- Тоже есть два источника питания (230V и 12-24V).
- Есть режимы: Астрономический, Недельный, Суточный и Простой (время считается с того момента, когда на реле подали питание, а не по часам).
- Датчика освещённости нету.
- Программирования по USB тоже нету.
- Всего один выход.
- Милый OLED-дисплей.
Зато — вот ржака — есть ручное включение канала в режиме тестирования. Ну вот почему опять полумеры-то? Сделали бы ручное включение в РЭВ-302 — так вообще было бы суперски! А сюда сделали бы на базе того же софта конфигурацию по USB (в том числе чтобы тиражировать настройки — это ж и правда удобно)! Эй, НоваТек! Когда вы будете доделывать устройства? То, что программирование через USB понадобится даже 1% людей, ведь будет означать конструкторскую ошибку: железо реле ведь не переделать!

Реле РЭВ-303 от НоваТек: с OLED-экраном, на один канал
Вот в начале поста я говорил о том, что иногда реле времени удобно поставить для того, чтобы оно давало в ПЛК сигнал «Я сработало» (ночь, день, восход, закат и тому подобное). Вот в этом случае РЭВ-303 — удобный и гибко настраиваемый вариант, потому что тут можно вкатать и работу по часам и по восходам-закатам солнца.
Для астрономического режима теперь надо вбить координаты (широту и долготу), а реле самостоятельно рассчитает положение солнца на текущую дату. Для всех остальных режимов в реле вбиваются нужные события, по которым оно должно срабатывать.
Расположение контактов похоже на РЭВ-302: сверху подаётся питание (оба вида):

Верхние контакты реле РЭВ-303 (подача питания)
А снизу находятся контакты внутреннего реле:

Нижние контакты реле РЭВ-303 (выходы встроенного реле)
Корпус у реле уже из новой серии (НоваТек их потихоньку обновляет и делает более гладкими и приятными на вид). Внутри у него хитрое литьё, при помощи которого нижняя и верхняя платы сначала крепятся в пазах, а потом на них нащёлкивается верхняя крышка корпуса.

Внутренности реле РЭВ-303: Интересная компоновка корпуса
Это реле не имеет жирной батарейки для сохранения времени, имеет более простой импульсный блок питания — и поэтому его платы выглядят маленькими и почти пустыми.

Реле РЭВ-303 состоит из двух плат, соединённых на шлейфике
Реле снова собрано на STM32, батарейка для часов — теперь мелкая CR2032.
А вот то, что я говорил про печатную плату силовой части и контакты реле. Вот тут НоваТек сделали лучше: плата между контактами реле профрезерована (и в других местах тоже), а на дорожки контактов реле нанесён толстый слой припоя. Так и надо было в РЭВ-302 делать!

Задняя часть силовой платы реле РЭВ-303 (есть защитная фрезеровка между контактами реле)
Теперь посмотрим на реле в работе. Так как USB теперь нет, то реле настраивается только через меню. Вот ща и разберёмся, как это делать.
Подаём питание на реле и видим на его дисплее (OLED, между прочим) следующую индикацию: состояние контактов реле, дату, время, линейку времени (на ней будут показываться запрограммированные события, если они есть).

Реле РЭВ-303 в работе (состояние программ, контактов, дата-время)
Новатек тут впервые применили OLED-дисплей (стандартного размера в 0,96″, которые есть в том числе и на AliExpress с SPI/I2C-шинами). OLED — это круто и чётко в плане символов. Но вы же помните, что от времени OLED быстро выгорают? Вот ссылка на видео по этой теме.
Так что не всё так с OLED гладко, как хотелось бы. Как сделать так, чтобы дисплей пожил подольше? Или побыстрее его вырубать, или сделать скринсейвер. Вот он самый и есть:

Скринсейвер для OLED-экрана реле РЭВ-303
Вообще до этого я носился с идеей сделать какие-то свои девайсы с OLED, а щас я резко охладел к ним. Если мне делать, к примеру, свой DMX-свитчер (а я буду его делать и потом даже могу делать на продажу — про это расскажу позже; не на всё хватает времени и настроения в эти предвесенние месяцы), то мне там нужен постоянно светящийся экран, а не ползающее по экрану значение. Поэтому я останусь на LCD-экранах (или классических HD44680). В конце концов их тоже можно найти с нормальной чёткостью, сенсорные и цветные.
В этом реле (РЭВ-303) есть — о удобство! — режим ручного включения нагрузки! Надо зажать кнопку «OK» и держать её зажатой. После некоторого времени реле принудительно включится или выключится.

Режим ручного включения нагрузки РЭВ-303 (которого не хватает в РЭВ-302)
Этот режим очень удобен для тестов щита: подал сигнал и радуйся (не надо набивать в реле тестовые программы или интервалы, чтобы затестить его срабатывание). Почему не сделали такое на РЭВ-302?!
Светодиод включения нагрузки теперь имеет нормальную яркость. Но он теперь красного цвета. Это-то зачем? Ведь красный — это признак аварии (и только в электрике среднего и высокого напряжения это признак состояния «Вкл»). Вот что мешало поставить спокойный зелёный или жёлтый?
Настраивается это реле по той же схеме, как и РЭВ-302: у нас есть несколько программ (которые содержат в себе разные режимы работы и списки событий для них). Для работы реле мы выбираем одну из этих программ.
Лезем в меню. Пункт «Текущ. прогр.» позволяет назначить реле одну из программ для работы:

Меню выбора и настройки программ работы реле РЭВ-303
Программ теперь всего две, чтобы не устраивать пользователю геморрой с их настройкой — представьте себе ад внести 100 событий без USB, тыркая кнопки меню:

Выбор программы, по которой будет работать реле РЭВ-303
Ну а в пункте «Настр. программ» можно задать режимы работы и списки событий для этих двух программ реле:

Пункт меню для настройки программ работы РЭВ-303
Заходим в меню редактирования программы и видим пункты, похожие на РЭВ-302: режим работы и списки событий.

Настройка одной из программ РЭВ-303: можно выбрать режим работы, задать список событий
Выберем себе из списка суточный режим. Это значит, что наше реле будет иметь какие-то события в интервале от 00:00 до 23:59 и повторять их каждые сутки.

Выбор режима работы программы РЭВ-303
Теперь создадим список событий для нашего режима работы (суточного).

Список событий программы РЭВ-303 (под разные режимы работы программы)
Каждое событие добавляется вручную по отдельности. Надо ткнуть на «Выбор» (кнопка «Menu»), после чего откроется меню из двух пунктов — «Добавить» и «Удалить» (пункта «Изменить» нету — ошибочное событие можно только удалить и ввести заново).

Добавили немного событий в реле, чтобы оно начало работать
Я накидал несколько событий просто так, чтобы показать вам то, как они отображаются на экране реле:

Реле НоваТек РЭВ-303 после настройки программ (видны временные метки на шкале)
Видите: теперь значок режима работы реле из замочка (программы заблокированы) сменился на часы — суточное реле. А вот ниже есть шкала времени от 0 до 24 часов. И риски на ней — это метки событий, которые я ввёл в настройках программы реле. Это мне нравится — это наглядно и удобно. Сразу видно, что и как настроено!
На этом мой рассказ-обзор закончен! Оба реле имеют право на жизнь. РЭВ-302 — как крутое и очень навороченное реле, а РЭВ-303 — как простое, непритхотливое — но при этом наглядное и понятное реле времени. Причём с функцией астрономического. Управлять рекламой, освещением — только в путь!
















